back to
>
Roth / TORO
>
Hand operated
>
Snowthrower
>
Two stage
>
1132
>
610/38160
>
1000001
>
Auger Assy.
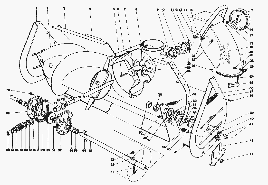
Spare Parts Lists for Toro Roth / TORO Auger Assy.
pos.
decription
spare part number
1
Sideplate Auger R.H.
8-8450
2
Auger R.H. (Model 38160)
126-6180
Auger R.H. (Model 38150)
26-6160
Auger L.H.
26-6190
Auger L.H. (Model 38150)
26-6170
3
Auger Housing
25-5110
Auger Housing (Model 38150)
25-5100
4
Decal-Auger Warning
29-6350
5
Key-Impeller
6-8590
6
Impeller
19-8890
7
Set Screw
3242-4
8
Chute Ring
25-5170
9
Bearing Flange
251-229
10
Bearing-Impeller
251-224
11
Locking Collar
251-231
12
Set Screw
3245-32
13
Locknut
32152-2
14
Deflector
11-7120
15
Washer Belleville
3290-340
16
Pulley Impeller
5-7400
17
Key
3-6857
18
Chute Wire
12-2040
19
Upper Chute
25-5440
20
Carriage Bolt
3230-18
21
Washer
3256-23
22
Swivel Plate
25-5290
23
MUTTER
3296-29
24
Screw Special
27-0220
25
Swivel Block
25-5450
26
Pushnuts
3290-326
27
Carriage Bolt
3231-27
28
Washer Rubber
20-4320
Lists
Toro
Roth / TORO
Ride-On Mowers
Hand operated
Sweeper
Snowthrower
Attachements
Two stage
1332 PowerShift
1232 PowerShift
1132 PowerShift
1132
610/38160
9000001
7000001
6000001
5000001
4000001
3000001
2000001
1000001
Grader Blade Assy.
Chute Extension Kit
Snow Cab Assy.
Volt Start Engine Kit (8 & 11 H.P. Snowthrower Model 38150 5 3
Starter Engine Kit (8 H.P. & 11 H.P. Snowthrower Model 38150 & 38
Engine 252416 TYPE No. 0191-01 (11 H.P. Snowthrower Model 38160)B&S
Engine 252416 TYPE No. 0190-01 (11 H.P. Snowthrower Model 38160)B&S
Engine 190402 TYPE 0989-01 (8 H.P. Snowthrower Model 38150) (ConB&S
Engine 190402 TYPE 0989-01 (8 H.P. Snowthrower Model 38150)
Engine 190402 TYPE 0989-01 (8 H.P. Snowthrower Model 38180) (Con B&S
Engine 190402 TYPE 0989-01 (8 H.P. Snowthrower Model 38150)
Engine Model No. 190402 TYPE 0989-01 (8 H.P. Snowthrower Model 3B&S
Handle Assy. (Cont.)
Handle Assy.
Engine Assy. (Model 38160)
Engine Assy. (Model 38150)
Wheel Assy.
Traction Assy. (Cont.)
Traction Assy.
Auger Assy. (Cont.)
Auger Assy.
0000001
1028 PowerShift
924 PowerShift
828 PowerShift
824 PowerShift
824 XL
824
724
624 PowerShift
622
521
3521
Single stage
Vac/Blower
Lawnmower
Robin
Terms and Conditions
(C) by motoruf