back to
>
Roth / TORO
>
Hand operated
>
Snowthrower
>
Single stage
>
CCR 2000
>
618/38181
>
4900001
>
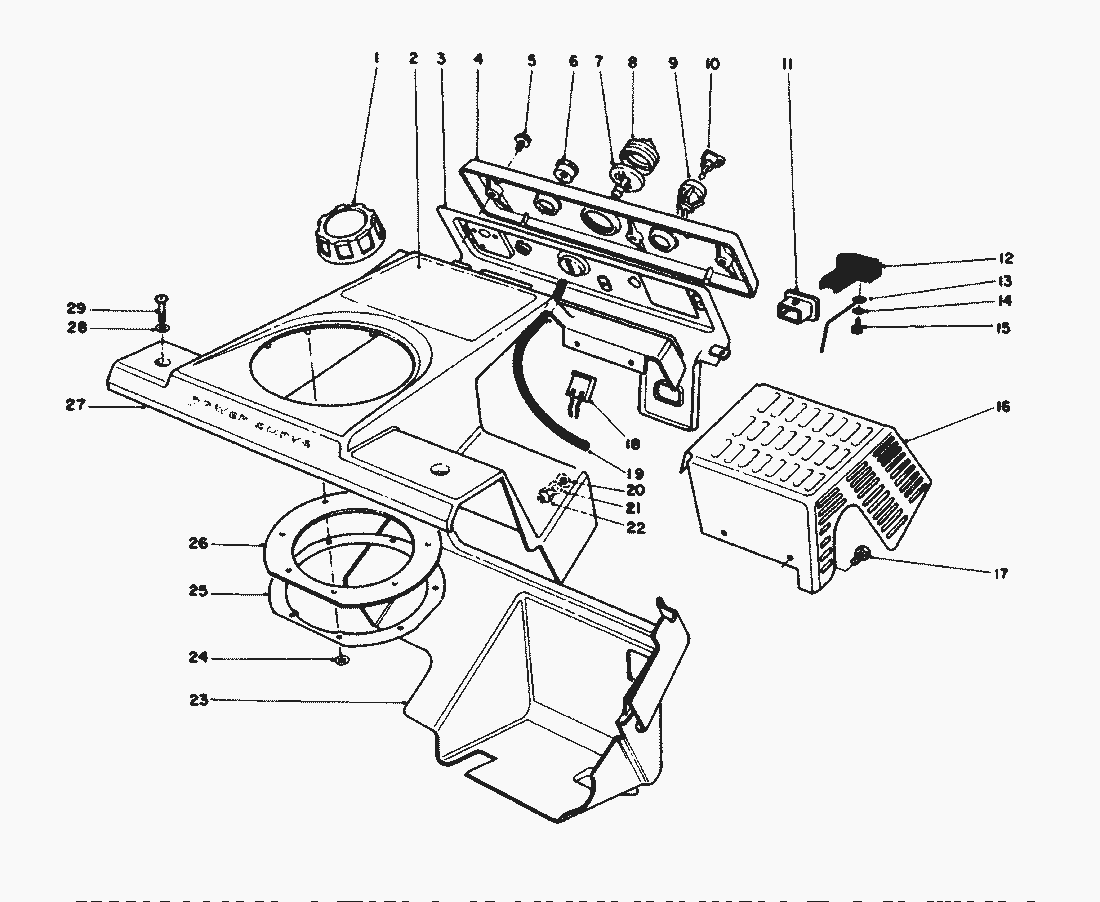
Control Panel & ShroudING Assy.
Spare Parts Lists for Toro Roth / TORO Control Panel & ShroudING Assy.
pos.
decription
spare part number
12-4649
12-4659
pos.
decription
spare part number
1
Gas Cap Assembly
55-3573
2
Decal-CCR-2000
72-9970
4
Nameplate-Control (Model No. 38180)
55-9350
Nameplate-Control (Model No. 38180C)
60-9490
5
Screw-Self Tapping
32144-112
6
Guide-Starter Rope
55-9410
7
Body-Primer
44-2750
8
Bulb-Primer
66-7460
9
Switch
40-5940
10
Key-Ignition
63-8360
11
Fitting-Choke Control
55-8820
12
Control-Choke (Model No. 38180)
55-8810
Control-Choke (Model No. 38180C)
55-8811
13
Linkage-Choke
61-4651
14
Washer
3256-49
15
Screw-Pan Hd.
32144-111
16
Shield-Heat
55-9210
17
Screw-Hex. Hd.
32105-8
18
Connector Body
218-532
19
Hose-Primer
44-3171
20
Washer-Rubber
55-9660
21
Washer
3256-14
22
Locknut
3296-12
23
Shroud-Lower
55-8790
24
Pushnut
3290-474
25
Retainer-Chute Seal
55-9540
26
Seal-Chute
55-9260
28
Washer
3256-22
29
Screw-Phillips
3250-32
Lists
Toro
Roth / TORO
Ride-On Mowers
Hand operated
Sweeper
Snowthrower
Attachements
Two stage
Single stage
Snow Commander
CCR 3650 GTS
CCR 3000
CCR 2450
CCR 2400
CCR 2000
618/38186
618/38185 C
618/38181
6900001
5900001
4900001
Recoil Starter Assy. Model No. 47PP3-4
Muffler Assy. Model No. 47PP3-4
Governor Assy. Model No. 47PP3-4
Carburetor Assy. Model No. 47PP3-4
Flywheel & Ignition Assy. Model No. 47PP3-4
Short Block Assy. Model No. 47PP3-4
Handle Assy.
Control Panel & ShroudING Assy.
Engine & Main Frame Assy.
Rotor Assy.
Discharge Chute Assy.
Housing Assy. (Cont.)
Housing Assy.
3900001
2000001
1000001
0000001
618/38180 C
CR 1000
CR 20
CR 20 R
S 620
S 200
CCR Powerlite
Vac/Blower
Lawnmower
Robin
Terms and Conditions
(C) by motoruf