back to
>
Roth / TORO
>
Hand operated
>
Snowthrower
>
Single stage
>
CCR 2000
>
618/38180 C
>
7000001
>
Control Panel & ShroudING Assy.
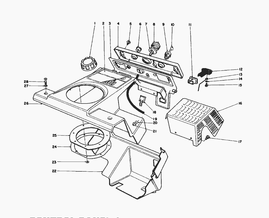
Spare Parts Lists for Toro Roth / TORO Control Panel & ShroudING Assy.
pos.
decription
spare part number
12-4649
12-4659
pos.
decription
spare part number
1
Gas Cap Assembly
55-3573
2
Decal-CCR-2000
55-9480
4
Nameplate-Control (Model No. 38180)
55-9350
Nameplate-Control (Model No. 38180C)
60-9490
5
SCHRAUBE
12-5450
6
Guide-Starter Rope
55-9410
7
Body-Primer
44-2750
8
Bulb-Primer
44-3100
9
Switch
40-5940
10
Keys
33-2010
11
Fitting-Choke Control
55-8820
12
Control-Choke (Model No. 38180)
55-8810
Control-Choke (Model No. 38180C)
55-8811
13
Linkage-Choke
55-9160
14
Washer
38-5710
15
Screw-Hex Hd.
32104-130
16
Shield-Heat
55-9210
17
Screw-Hex. Hd.
32105-8
18
Connector Body
218-532
19
Hose-Primer
44-3171
20
Washer-Rubber
55-9660
21
Flange Nut
32128-17
22
Shroud-Lower
55-8790
23
Pushnut
32112-12
24
Retainer-Chute Seal
55-9540
25
Seal-Chute
55-9260
27
Washer
3256-22
28
Screw-Phillips
3250-32
Lists
Toro
Roth / TORO
Ride-On Mowers
Hand operated
Sweeper
Snowthrower
Attachements
Two stage
Single stage
Snow Commander
CCR 3650 GTS
CCR 3000
CCR 2450
CCR 2400
CCR 2000
618/38186
618/38185 C
618/38181
618/38180 C
9000001
8000001
7000001
Recoil Starter Assy.
Muffler Assy.
Carburetor Assy.
Governor Assy.
Flywheel & Ignition Assy.
Short Block Assy.
Handle Assy.
Control Panel & ShroudING Assy.
Engine & Main Frame Assy.
Rotor Assy.
Discharge Chute Assy.
Housing Assy. (Cont.)
Housing Assy.
CR 1000
CR 20
CR 20 R
S 620
S 200
CCR Powerlite
Vac/Blower
Lawnmower
Robin
Terms and Conditions
(C) by motoruf