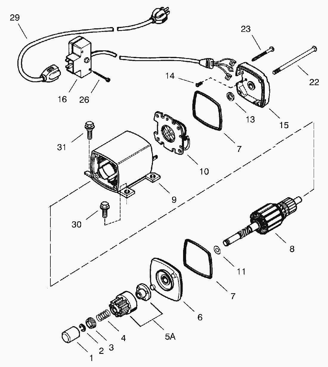
Spare Parts Lists for Toro Roth / TORO Electric Starter (110 Volt) No. 37105
| pos. | decription | spare part number | |
| 1 | Cover, Dust | 33451 |
| 2 | Ring, Retaining | 33842 |
| 3 | Retainer, Spring | 33430 |
| 4 | Spring, Anti-drift | 33431 |
| 5 | Gear and Nut (Incl. Ref. | 37050 |
| 7 | O Ring | 35450 |
| 8 | Armature | 35915 |
| 9 | Housing ASM | 35451B |
| 10 | Card Assembly-Brush | 35452A |
| 11 | Washer-Thrust | 35911 |
| 13 | Washer, Thrust | 590500 |
| 14 | Screw-Ground | 33441 |
| 16 | Box Assy., Switch | 35454 |
| 22 | Bolt, Case | 35455 |
| 23 | Screw, Grounding | 35456 |
| 26 | Screw, Hex Hd. Self-Tap | 650819 |
| 26 | Screw | 651032 |
| 29 | | 32450B |
| 30 | Screw, Fil. Hd. Sems | 30063 |
| 31 | Screw, Hex Hd. Shoulder | 650820 |
Lists