back to
>
Roth / TORO
>
Ride-On Mowers
>
Traktor
>
12-38 XL
>
391/71202
>
5900001
>
Electrical Assy.
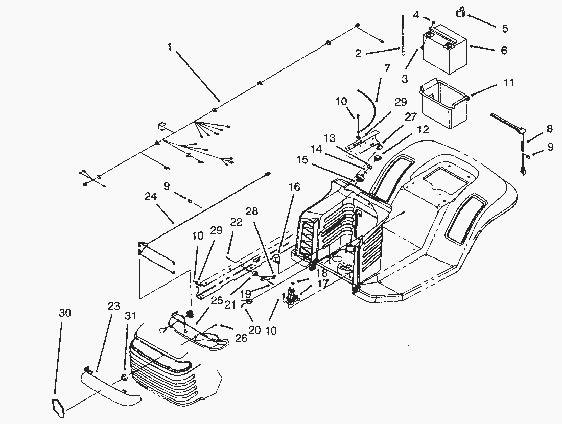
Spare Parts Lists for Toro Roth / TORO Electrical Assy.
pos.
decription
spare part number
1
Harness-Wire
88-4310
2
Vent-Tube
56-2540
3
Capscrew
321-4
4
Nut-Wing
32103-22
5
Boot-Battery Terminal
28-8080
6
Battery-7 Plate
80-2600
7
Cable-Battery Negative
44-8110
8
Switch-Seat
38-1420
9
Clip-Wire Retainer
702366
10
Screw Thread Forming
32144-4
11
Box-Battery
88-4040
12
Key-Ignition
63-8360
13
Hex Nut
218-461
14
Lockwasher
3254-5
15
Switch-Ignition
88-9830
16
Relay
116397
17
Solenoid-12 Volt (Only On: 72043, 72042, 72063, 72062)
92-9845
18
Locknut
32149-2
19
Screw
910478
20
Switch-Micro
88-9932
21
Spacer-Microswitch
88-4880
22
Speed Nut
3290-354
23
Lens-Headlights
88-3960
24
Harness-Wire
88-4320
25
Reflector & Lamp
88-3970
26
Screw-Plastite
32144-32
27
Switch-Rocker
92-8875
28
Seal-Plunger
93-3240
29
Lockwasher
3255-7
30
Plate-Grille Panel
80-2240
31
Nut-Tinnerman
3290-299
Lists
Toro
Roth / TORO
Ride-On Mowers
Traktor
264-6
246 HE
244-5
212-H
212-5
17-44 HXLE
16-44 HXL
16-38 HXL
16-38 XLE
15-44 HXL
15-38 HXL
14-38 HXL
14-38 XL
13-38 HXL
13-38 XL
13-32 XLE
12-38 HXL
12-38 XL
391/71202
5900001
Peerlesss Transaxle Model No. 915-020 (Cont.)
Peerlesss Transaxle Model No. 915-020
Engine B&S Model 286707-0453-01
HOC Assy.
Transaxle Assy.
Electrical Assy.
Shift Assy.
Clutch Assy.
Engine Assy.
Steering Assy.
Front Axle Assy.
Seat Assy.
Hood Assy.
Frame Assy.
4900001
3900001
12-32 XL
264 H
265 H
267 H
268 H
270 H
520 xi
520 Lxi
523 Dxi
Rider
Mower decks
Attachements
Hand operated
Robin
Terms and Conditions
(C) by motoruf