back to
>
Roth / TORO
>
Hand operated
>
Snowthrower
>
Two stage
>
3521
>
621/38035
>
5000001
>
Engine Assy.
Spare Parts Lists for Toro Roth / TORO Engine Assy.
pos.
decription
spare part number
8-8649
pos.
decription
spare part number
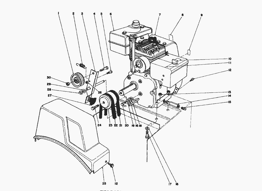
1
Pulley Idler
3-4244
2
Spring-Auger Disengage
53-7570
4
Capscrew
323-29
5
Bolt-Shoulder
42-3560
6
Gas Tank w/Cap
52-2680
7
Engine
221-779
8
Decal-Primer
39-3860
9
Decal-Throttle
37-8890
10
Decal-Choke
39-3840
11
Decal Hot Surface Warning
29-6390
12
Hex Washer Hd. Thread Forming Screw
12-3270
13
MUTTER
3296-29
14
Drain Tube
49-3040
15
Pipe Plug
281-7
16
Washer
3256-23
17
Capscrew
322-7
18
Belt Retainer
37-8990
19
Lockwasher
3255-8
20
Capscrew
3210-3
21
V-Belt-Traction
37-9090
22
V-Belt-Auger
37-9080
23
Engine Pulley
43-7370
24
Screw-Special
43-7290
25
Belt Cover
37-6900
26
MUTTER
3296-42
27
Brake Pad-Molded
40-8140
28
Push-On Speed Nut
3290-320
29
Flat Washer
3256-24
30
Locknut
32152-2
Lists
Toro
Roth / TORO
Ride-On Mowers
Hand operated
Sweeper
Snowthrower
Attachements
Two stage
1332 PowerShift
1232 PowerShift
1132 PowerShift
1132
1028 PowerShift
924 PowerShift
828 PowerShift
824 PowerShift
824 XL
824
724
624 PowerShift
622
521
3521
621/38035
9000001
8000001
7000001
6000001
5000001
Recoil Starter No. 590576
Ignition No. 611030*
Engine Tecumseh Model H35-455OP (Cont.)
Engine Tecumseh Model H35-4559OP
Carburetor No. 632378
Grader Blade Assy. Model 59099 (Optional)
Drift Breaker Kit N0. 37-7020 (Optional)
Starter Engine Kit Model 23-3790 (Optional)
Handle Assy.
Engine Assy.
Traction Assy.
Auger Assy.
Auger Assy. (Cont.)
4000001
Single stage
Vac/Blower
Lawnmower
Robin
Terms and Conditions
(C) by motoruf