back to
>
Roth / TORO
>
Hand operated
>
Snowthrower
>
Two stage
>
521
>
622/38054
>
2000001
>
Engine Assy.
Spare Parts Lists for Toro Roth / TORO Engine Assy.
pos.
decription
spare part number
8-8649
pos.
decription
spare part number
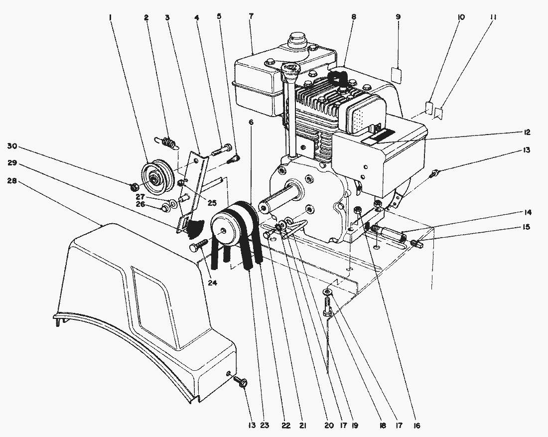
1
Pulley Idler
3-4244
2
Spring-Auger Disengage
53-7570
4
Capscrew
323-29
5
Bolt-Shoulder
42-3560
6
Engine Pulley
43-7370
7
Gas Tank w/Cap
52-2680
8
9
Decal-Primer
62-5760
10
Decal-Throttle
63-2450
11
Decal-Choke
39-3850
12
Decal-Hot Surface (Model No. 38505)
63-2310
13
Screw Thread Forming
32144-4
14
Drain Tube
49-3040
15
Pipe Plug
281-7
16
MUTTER
3296-29
17
Washer
3256-23
18
Capscrew
322-7
19
Belt Retainer
37-8990
20
Lockwasher
3255-8
21
Capscrew
3210-3
22
V-Belt-Traction
37-9090
23
V-Belt-Auger
37-9080
24
Screw-Special
43-7290
25
STOPMUTTER
3296-56
26
Push-On Speed Nut
3290-320
27
Flat Washer
3256-24
28
Belt Cover
37-6900
29
Pad-Brake
66-8060
30
Nut-Lock
3296-59
Lists
Toro
Roth / TORO
Ride-On Mowers
Hand operated
Sweeper
Snowthrower
Attachements
Two stage
1332 PowerShift
1232 PowerShift
1132 PowerShift
1132
1028 PowerShift
924 PowerShift
828 PowerShift
824 PowerShift
824 XL
824
724
624 PowerShift
622
521
622/38054
6900001
5900001
4900001
3900001
2000001
Drift Breaker Kit No. 37-7020 (Optional)
Carburetor No. 632107A
Electric Starter Engine Kit No. 23-3790
Recoil Starter No. 590646
Engine Tecumseh Model HS50-67259K (Cont.)
Engine Tecumseh Model HS50-67259K
Light Kit No. 54-9822 (Optional)
Handle Assy.
Engine Assy.
Traction Assy. (Cont.)
Traction Assy.
Auger Assy. (Cont.)
Auger Assy.
1000001
0000001
622/38035
3521
Single stage
Vac/Blower
Lawnmower
Robin
Terms and Conditions
(C) by motoruf