back to
>
Roth / TORO
>
Hand operated
>
Snowthrower
>
Two stage
>
624 PowerShift
>
627/38505
>
9000001
>
Engine Assy.
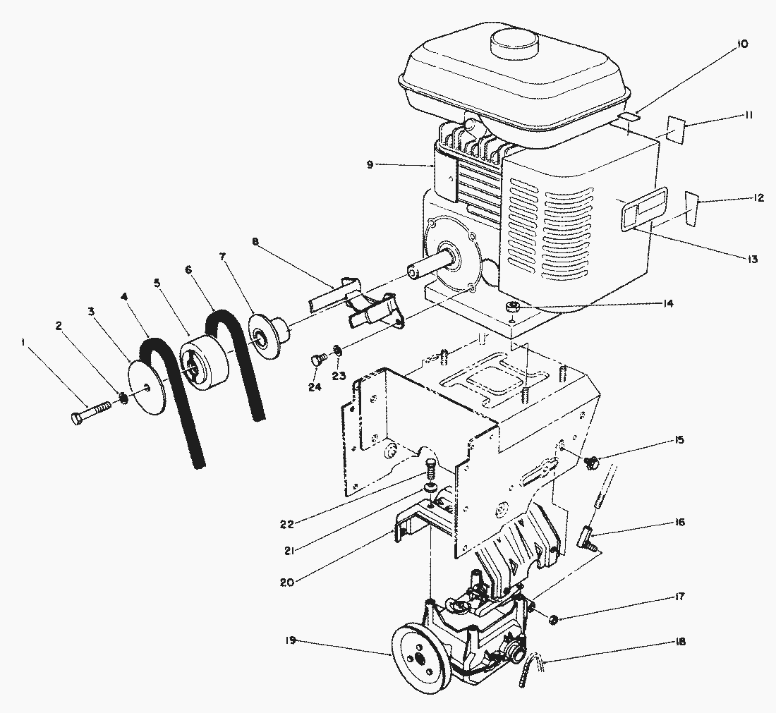
Spare Parts Lists for Toro Roth / TORO Engine Assy.
pos.
decription
spare part number
1
Screw-Cap Hex. Hd.
3211-9
2
Washer-Lock
3253-21
3
Sheave Half-Impeller
62-0910
4
Belt-Impeller
63-2960
5
Hub-Sheave
62-0900
6
Belt-Traction
63-2950
7
Sheave Half-Traction
62-0890
8
Guide-Belt
68-7490
9
Engine-6 hp.
68-8280
10
Decal-Primer
68-8540
11
Decal-Choke (Model No. 38500)
68-9030
Decal-Choke (Model No. 38505)
63-3490
12
Decal-Throttle
63-3190
13
Decal-Hot Surface (Model No. 38500)
62-7290
Decal-Hot Surface (Model No. 38505)
63-2310
14
Flange Nut
32128-20
15
Screw-Hex. Washer Hd.
3234-7
16
Joint-Ball
63-2640
17
Locknut
3296-39
18
Chain-Drive
63-2930
19
Transmission Assembly
66-8030
20
Frame-Transmission
63-2990
21
Washer-Belleville
3290-461
22
Screw-Cap Hex Hd.
11-0590
23
Lockwasher
3253-4
24
Screw-Cap Hex Hd.
3210-1
Lists
Toro
Roth / TORO
Ride-On Mowers
Hand operated
Sweeper
Snowthrower
Attachements
Two stage
1332 PowerShift
1232 PowerShift
1132 PowerShift
1132
1028 PowerShift
924 PowerShift
828 PowerShift
824 PowerShift
824 XL
824
724
624 PowerShift
627/38513
627/38510
627/38505
9000001
Engine No. 68-8280 Fuel System & Muffler (Cont.)
Engine No. 68-8280 Fuel System & Muffler
Engine No. 68-8280 Ignition Assy.
Engine No. 68-8280 Crankcase Assy. (Cont.)
Engine No. 68-8280 Crankcase Assy.
Differential Kit Model No. 38038 (Optional)
Snow Cab Assy. No. 68-9500 (Optional)
Light Kit No. 66-7950 (Optional)
Drift Breaker Assy. (Optional)
Handle Assy.
Traction Linkage Assy.
Traction Drive Assy.
Transmission Assy. No. 66-8030 (Cont.)
Transmission Assy. No. 66-8030
Engine Assy.
24 Auger Gearcase Assy. No. 66-8020
Housing & Chute Assy. (Cont.)
Housing & Chute Assy.
8000001
1000001
0000001
622
521
3521
Single stage
Vac/Blower
Lawnmower
Robin
Terms and Conditions
(C) by motoruf