back to
>
Roth / TORO
>
Hand operated
>
Snowthrower
>
Single stage
>
S 620
>
609/38162
>
5000001
>
Engine Assy.
Spare Parts Lists for Toro Roth / TORO Engine Assy.
pos.
decription
spare part number
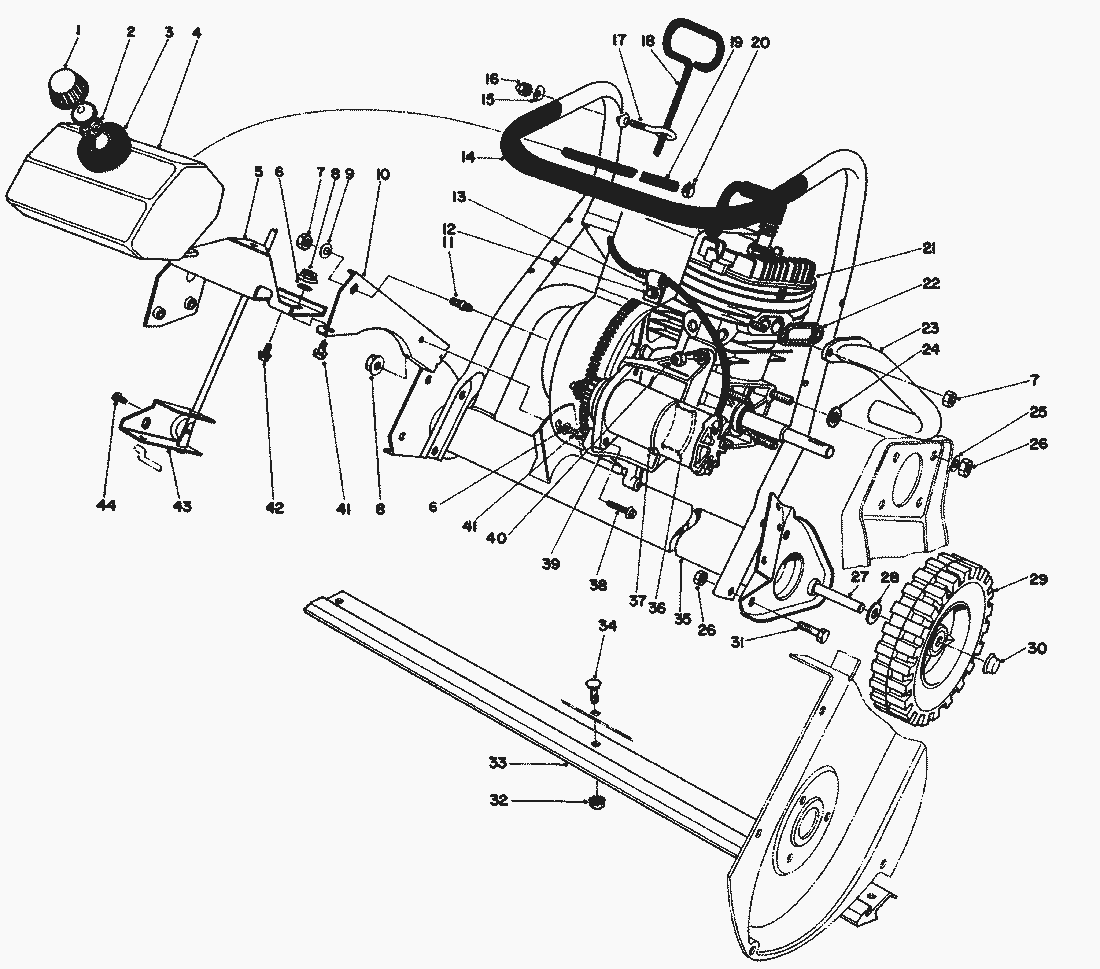
1
Gas Cap (Incl. Ref.
42-0680
2
Gasket
20-4620
3
Foam Pad
25-1610
4
Gas Tank
39-8670
5
Support-Gas Tank
49-1550
6
Washer
3290-244
7
Lock Nut
32152-4
8
Nut-Flange
32128-30
9
Washer
7-3315
10
Support-Engine
49-1570
11
Stud
38-8710
12
Screw Thread Forming
32144-10
13
Cable Clamp
2412-65
14
Lower Handle
49-1360
15
Washer
3-7501
16
Capnut
32111-7
17
Eyebolt
52-7120
18
Rod-Vane Adjustment
49-1600
19
Fuel Line
49-2480
20
Clamp
2412-86
21
Engine
221-752
22
Gasket-Exhaust Pipe
23-3810
23
Exhaust Pipe
52-7200
24
Spacer
4-2390
25
Washer
3256-23
26
MUTTER
3296-29
27
Axle
27-0060
28
Flat Washer
3256-24
29
Wheel
23-3250
30
Push-On Speed Nut
3290-320
31
Capscrew
322-3
32
Locknut
32149-2
33
Scraper
23-3170
34
Screw-Button Hd. Carriage
52-7130
35
Muffler-Exhaust
49-1540
36
Motor Support-Rear
28-9120
37
Strap-Tie Down
3290-379
38
Thread Forming Screw
32144-26
39
Bracket-Motor Mounting
51-2990
40
MUTTER
3296-42
41
Screw
3234-23
42
Hex Washer Hd. Thread Forming Screw
12-3270
43
Bracket-Vane Adjustment
39-0840
44
SCHRAUBE
12-5450
Loose Parts
11-7879
Lists
Toro
Roth / TORO
Ride-On Mowers
Hand operated
Sweeper
Snowthrower
Attachements
Two stage
Single stage
Snow Commander
CCR 3650 GTS
CCR 3000
CCR 2450
CCR 2400
CCR 2000
CR 1000
CR 20
CR 20 R
S 620
609/38162
9000001
8000001
7000001
6000001
5000001
Recoil Starter No. 590537
Engine Tecumseh Model AH-600 TYPE 1623-A
Carburetor No. 632142A
Starter Engine & Switch Assy.
Engine Assy.
Lower Main Frame Assy.
Shroud & Handle Assy.
4000001
1000001
0000001
S 200
CCR Powerlite
Vac/Blower
Lawnmower
Robin
Terms and Conditions
(C) by motoruf