back to
>
Roth / TORO
>
Hand operated
>
Snowthrower
>
Single stage
>
S 620
>
609/38162
>
5000001
>
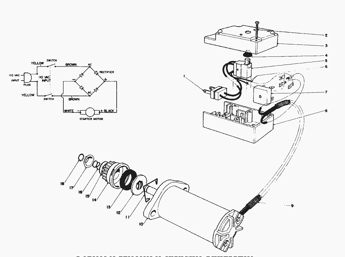
Starter Engine & Switch Assy.
Spare Parts Lists for Toro Roth / TORO Starter Engine & Switch Assy.
pos.
decription
spare part number
1
Plug
36-8370
2
Thread Forming Screw
32144-27
3
Cap-Switch Housing
28-9960
4
Boot-Switch
36-8350
5
Switch
36-8340
6
Wire-Switch to Rectifier
36-8360
7
Bridge Rectifier
37-7600
8
Base-Switch Housing
36-8330
9
Cable Cover
33-5130
10
11
Clip-Retaining
5-6530
12
13
Ring-Rubber
25-3400
14
15
Washer
33-5570
16
Spring
33-3230
17
Pinion Stop
33-3210
18
External Retaining Ring
32151-49
Starter Motor Assembly (Incl. Ref.
28-9140
Piion Assembly (Incl. Ref.
36-5350
Cord-7 Ft.
28-9170
Lists
Toro
Roth / TORO
Ride-On Mowers
Hand operated
Sweeper
Snowthrower
Attachements
Two stage
Single stage
Snow Commander
CCR 3650 GTS
CCR 3000
CCR 2450
CCR 2400
CCR 2000
CR 1000
CR 20
CR 20 R
S 620
609/38162
9000001
8000001
7000001
6000001
5000001
Recoil Starter No. 590537
Engine Tecumseh Model AH-600 TYPE 1623-A
Carburetor No. 632142A
Starter Engine & Switch Assy.
Engine Assy.
Lower Main Frame Assy.
Shroud & Handle Assy.
4000001
1000001
0000001
S 200
CCR Powerlite
Vac/Blower
Lawnmower
Robin
Terms and Conditions
(C) by motoruf