back to
>
Roth / TORO
>
Ride-On Mowers
>
Rider
>
8-25
>
372/70060
>
89000001
>
Front Axle Assy.
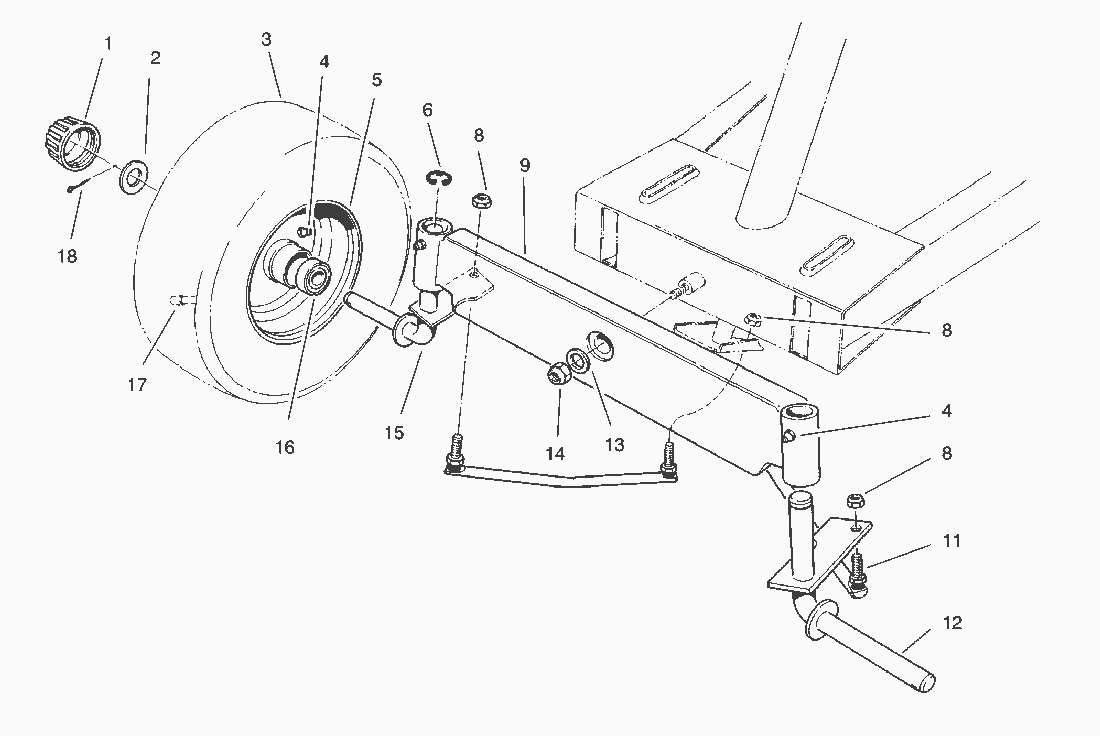
Spare Parts Lists for Toro Roth / TORO Front Axle Assy.
pos.
decription
spare part number
1
Cap-Hub
61-9780
2
Washer
28-2480
3
Tire
231-116
4
Grease Fitting
302-5
5
Rim
217-80
6
E-Ring-External
32151-48
8
Locknut
3296-4
9
Axle-Front
67-0990
11
Assembly-Tie Rod
67-0880
12
Spindle-L.H.
67-0810-01
13
Washer
3256-26
14
Nut-Lock
3296-25
15
Spindle-R.H.
67-0800-01
16
Bearing-Wheel
110513
17
Valve Stem
232-27
18
Pin-Cotter
3272-12
Tube-Inner
232-44
Lists
Toro
Roth / TORO
Ride-On Mowers
Traktor
Rider
HMR 1600
12-32 E
12-32
11-32
10-32 E
8-25
372/70122
372/70060
89000001
Engine B&S Model 195707-0421-El
Engine B&S Model 195707-0421-E1
Transmission Peerlesss Model 700-025
Cutting Unit Assy.
Differential Assy.
Rear Axle Assy.
Electrical Schematic
Engine Assy.
Transmission & Linkage Assy. (Cont.)
Transmission & Linkage Assy.
Rear Body Assy.
Front Axle Assy.
Seat & Fuel Tank Assy.
Frame Assy.
Front Body Assy.
79000001
59000001
49000001
39000001
6900001
110-4E
110-4
Mower decks
Attachements
Hand operated
Robin
Terms and Conditions
(C) by motoruf