back to
>
Roth / TORO
>
Hand operated
>
Snowthrower
>
Two stage
>
824
>
612/38080
>
5000001
>
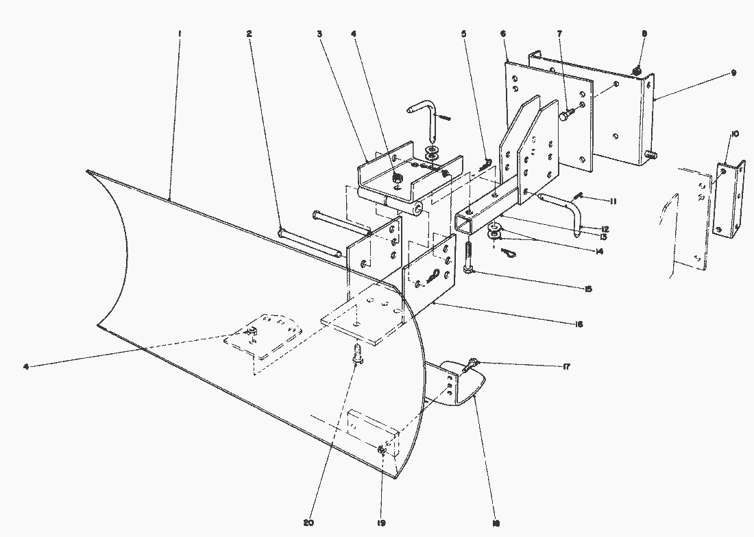
Grader Blade Assy. Model 59099
Spare Parts Lists for Toro Roth / TORO Grader Blade Assy. Model 59099
pos.
decription
spare part number
2-5210
pos.
decription
spare part number
1
Blade
7-4374
2
Pin
283-38
3
Swivel Bracket
20-5090
4
Locknut
32152-3
5
Hair Pin Cotter
3290-322
6
Mounting Plate
20-5170
7
Capscrew
323-6
8
Locknut
32152-2
9
Mounting Plate Bracket (used with 826 and 1032 only)
22-4920
10
Mounting Rail (Used with 421 Units only)
39-7850
11
Roll Pin
32121-45
13
Blade Tongue
20-5140
14
Flat Washer
3256-5
15
Capscrew
325-11
16
Blade Adjustment Plate
20-5130
17
Capscrew
322-6
18
Skid
7-1023
19
Locknut
32152-1
20
Capscrew
325-5
Air Cleaner Kit-(Tecumseh)
20-9950
Lists
Toro
Roth / TORO
Ride-On Mowers
Hand operated
Sweeper
Snowthrower
Attachements
Two stage
1332 PowerShift
1232 PowerShift
1132 PowerShift
1132
1028 PowerShift
924 PowerShift
828 PowerShift
824 PowerShift
824 XL
824
612/38080
8000001
7000001
6000001
5000001
Recoil Starter No. 590573
Ignition No. 610848*
Carburetor No. 632334
Engine Tecumseh Model No. HM 80-155284J (Cont.)
Engine Tecumseh Model No. HM 80-155284J
Grader Blade Assy. Model 59099
Snow Cab Assy. Model 42-3380
Starter Engine110V Kit No. 37-4810 (Canada only)
Handle Assy. (Cont.)
Handle Assy.
Engine Assy.
Traction Assy.
Traction Assy. (Cont.)
Auger Assy. (Cont.)
Auger Assy.
4000001
3900001
2000001
724
624 PowerShift
622
521
3521
Single stage
Vac/Blower
Lawnmower
Robin
Terms and Conditions
(C) by motoruf