back to
>
Roth / TORO
>
Hand operated
>
Snowthrower
>
Single stage
>
CCR 3000
>
642/38431
>
7900001
>
Housing Assy.
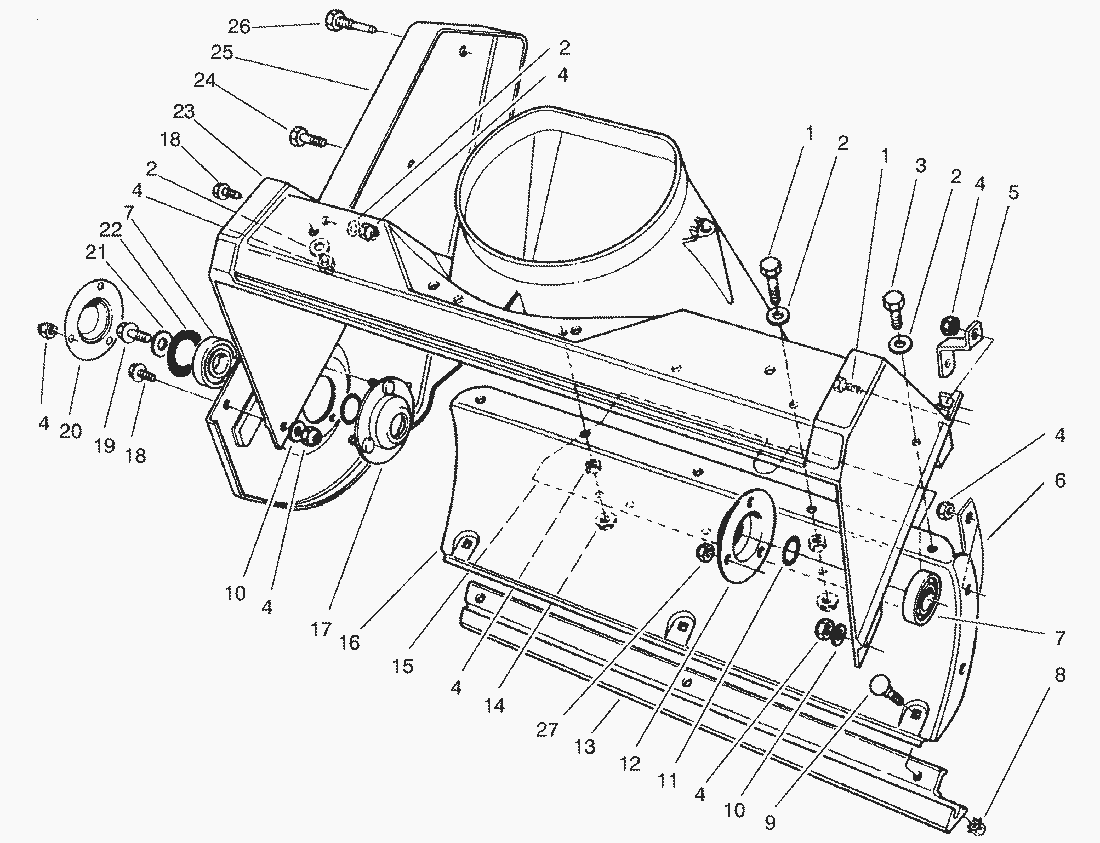
Spare Parts Lists for Toro Roth / TORO Housing Assy.
pos.
decription
spare part number
1
Screw-Hex Hd.
321-6
2
Washer
3256-22
3
Capscrew
321-4
4
MUTTER
3296-42
5
Bracket-Housing
55-9430
6
Bracket-Lower Housing
56-2610
7
Ball Bearing
38-7820
8
Locknut
32149-2
9
Screw-Carriage
3229-11
10
Washer
3256-67
11
Washer-Thrust
52-7280
12
Bearing Flange
38-8620
13
Scraper
55-8760
14
Hex Flange Locknut
32128-10
15
Cover-Bottom
55-9512
16
Housing-Lower
55-9220
17
Bearing Flange
52-9110
18
Screw-Hex. Hd.
32105-15
19
Screw-Cap Hex Flange
3234-25
20
Retainer-Bearing
52-7290
21
Flat Washer
3256-24
22
Washer-Rubber
52-7270
23
Housing
55-8700
24
Screw-Hex. Hd.
322-43
25
Sideplate-R.H.
55-8840
26
Pin
38-8211
27
Nut
3296-2
Lists
Toro
Roth / TORO
Ride-On Mowers
Hand operated
Sweeper
Snowthrower
Attachements
Two stage
Single stage
Snow Commander
CCR 3650 GTS
CCR 3000
643/38437
643/38436
642/38435
642/38433
642/38431
8900001
7900001
Engine Assy. (Cont.) Model No. 47PT6-4
Engine Assy. Model No. 47PT6-4
Handle Assy.
Control Panel & ShroudING Assy.
Engine & Main Frame Assy.
Rotor Assy.
Discharge Chute Assy.
Housing Assy.
Drive Assy.
CCR 2450
CCR 2400
CCR 2000
CR 1000
CR 20
CR 20 R
S 620
S 200
CCR Powerlite
Vac/Blower
Lawnmower
Robin
Terms and Conditions
(C) by motoruf