back to
>
Roth / TORO
>
Hand operated
>
Snowthrower
>
Two stage
>
1232 PowerShift
>
630/38591
>
69000001
>
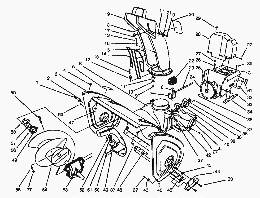
Housing Assy. (Cont.)
Spare Parts Lists for Toro Roth / TORO Housing Assy. (Cont.)
pos.
decription
spare part number
30
Rivet
3269-23
31
Frame-Engine
66-6980
32
Cover-Engine Frame
62-1440
33
Screw-Hex. Flange Hd.
3234-5
34
Plate-Engine Stud L.H.
68-4150
Plate-Engine Stud R.H.
68-4140
35
Key Woodruff
3257-23
36
Thrust Washer
252-80
37
MUTTER
3296-29
38
39
Bearing-Impeller
63-3450
40
41
Cover-Lower Belt
68-8410
42
Washer
3256-23
43
Washer
52-2861
44
Skid Assembly
74-1440
45
Blade-Scraper
66-7760
46
Plate-Side L.H.
66-7831
47
Nut-Lock
3296-47
48
Screw-Carriage
3230-23
49
MUTTER
3296-42
50
Impeller
66-7920
51
Spacer
66-8010
52
Screw-Cap Hex. Hd.
321-44
53
Auger Gearbox Assembly
74-1562
54
Auger-R.H.(Model No. 38565)
68-7452
Auger-L.H.(Model No. 38565)
68-7462
55
Spacer Auger Hub
25-5090
56
Flange Bearing Front
20-0990
57
Bearing
20-0980
58
Flange Bearing Rear
20-1000
59
Screw-Cap Hex. Hd.
322-12
60
SCHRAUBE
321-3
61
Decal-Differiential (Model 38590 Only)
94-2571
Impeller Bearing Assembly (Incl. Ref.
12-8789
Lists
Toro
Roth / TORO
Ride-On Mowers
Hand operated
Sweeper
Snowthrower
Attachements
Two stage
1332 PowerShift
1232 PowerShift
630/38591
890000001
99000001
79000001
69000001
Recoil Starter No. 590733
Carburetor No. 632536
Tecumseh Model No. OHSK120-222023E/24E
Handle Assy.
Light Assy. No. 66-7941
Traction Linkage Assy.
32 Auger Gearcase Assy. No. 74-1562
Traction Drive Assy.
Transmission-Assy. No. 66-8030 (Cont.)
Transmission Assy. No. 66-8030
Housing Assy. (Cont.)
Housing & Chute Assy.
Engine, Transmission Drive Assy.
1132 PowerShift
1132
1028 PowerShift
924 PowerShift
828 PowerShift
824 PowerShift
824 XL
824
724
624 PowerShift
622
521
3521
Single stage
Vac/Blower
Lawnmower
Robin
Terms and Conditions
(C) by motoruf