back to
>
Roth / TORO
>
Hand operated
>
Snowthrower
>
Two stage
>
1232 PowerShift
>
630/38591
>
69000001
>
Traction Drive Assy.
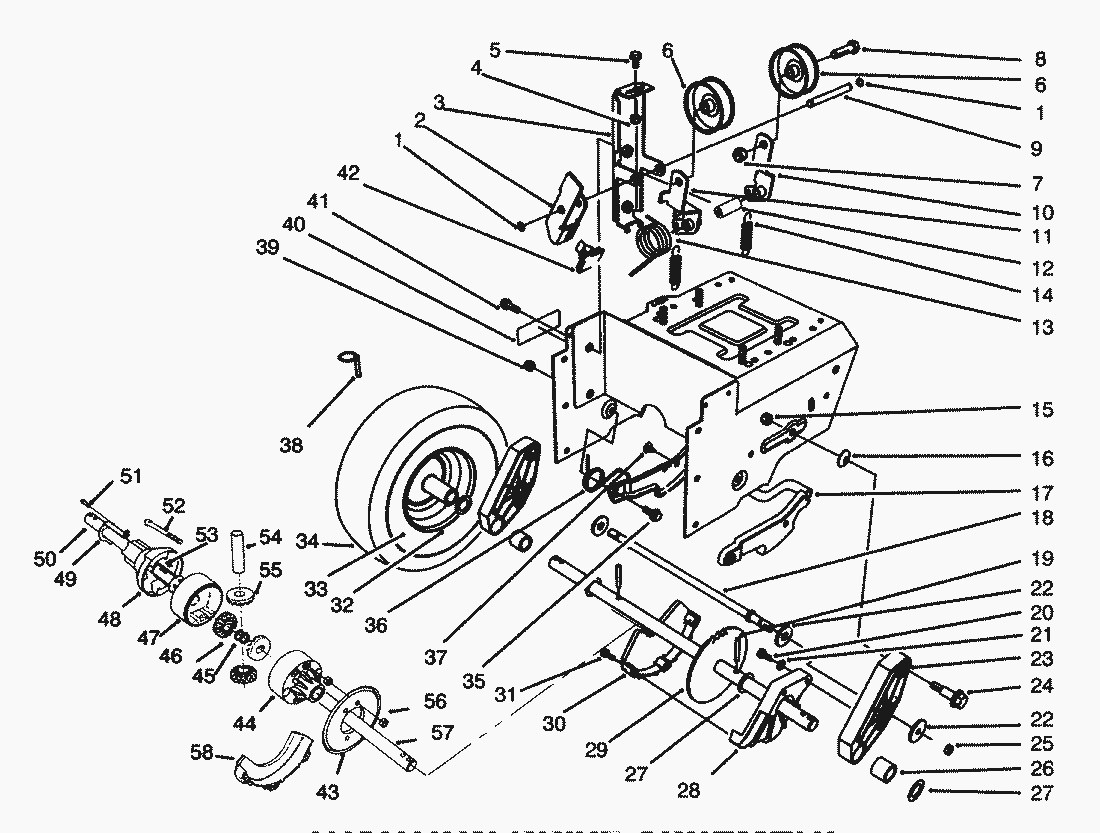
Spare Parts Lists for Toro Roth / TORO Traction Drive Assy.
pos.
decription
spare part number
Housing-L.H. (Model 38590 Only)
68-9200
pos.
decription
spare part number
1
Ring-Retaining
32120-46
2
Arm-Brake
63-2820
3
Bracket-Idler Arm
63-2850
4
MUTTER
3296-42
5
Hex Flange Capscrew
3234-13
6
Pulley Idler
3-4244
7
Nut-Lock
3296-59
8
Screw-Cap Hex Hd.
323-7
9
Pin-Idler
62-0970
10
Arm-Traction Ider
93-8045
11
Arm-Impeller Idler
93-8046
12
Bushing-Idler
3256-38
13
Spring-Torsion
63-2881
14
Spring-Extension
63-2870
15
Locknut
3296-39
16
Washer-Belleville
3290-461
17
Latch-Arm
62-0470
18
Rod-Latch
66-7720
19
Roll Pin
32121-9
20
Screw Thread Forming
32144-4
21
Washer-Plain
3256-1
22
Washer
63-3340
23
Pivot Arm Assembly (Incl. Ref.
66-7740
24
Bolt-Shoulder
62-1330
25
Nut-Lock
3296-23
26
Bushing-Axle
63-2250
27
Thrust Washer
252-80
28
Guard-Chain L.H.
62-1010
29
Axle Assembly
63-2112
30
Guard-Chain R.H.
62-1000
31
SCHRAUBE
32104-121
32
Rim-Wheel
241-127
33
Tube-Inner
232-48
34
Tire
231-123
35
Bolt-Shoulder
5-2490
36
Spring-Torsion
63-2740
37
Fastener-Panel
3290-476
38
Klip Pin
3290-243
39
Nut-Lock
3296-47
40
Decal-Warning (Model No. 38580 Only)
66-6860
Decal-Adjustment (Model No. 38505)
63-3470
41
Screw-Hex. Washer Hd.
3234-7
42
Pad-Brake
66-8060
43
Sprocket-32T (Used on Models 38500, 38505, 38520, 38525, 38545, 38565, 38570, 38573 & 38580)
68-9270
44
Housing-L.H. (Model 38590 Only)
68-9200
45
Ring-Retaining
32120-93
46
47
Housing-Male
68-9210
48
Coupling-Differential
68-9250
49
Spring-Lockout
68-9260
50
Shaft-Differential R.H.
68-9240
51
Screw-Hex. Washer Hd (Model 38590 Only)
32144-78
52
Screw-Hex. Hd. (Model 38590 Only)
3247-73
53
Key-Woodruff
3257-41
54
55
56
Nut-Lock
3296-47
57
Shaft-Differential L.H.
68-9230
58
Guard-Chain R.H.
68-9310
Lists
Toro
Roth / TORO
Ride-On Mowers
Hand operated
Sweeper
Snowthrower
Attachements
Two stage
1332 PowerShift
1232 PowerShift
630/38591
890000001
99000001
79000001
69000001
Recoil Starter No. 590733
Carburetor No. 632536
Tecumseh Model No. OHSK120-222023E/24E
Handle Assy.
Light Assy. No. 66-7941
Traction Linkage Assy.
32 Auger Gearcase Assy. No. 74-1562
Traction Drive Assy.
Transmission-Assy. No. 66-8030 (Cont.)
Transmission Assy. No. 66-8030
Housing Assy. (Cont.)
Housing & Chute Assy.
Engine, Transmission Drive Assy.
1132 PowerShift
1132
1028 PowerShift
924 PowerShift
828 PowerShift
824 PowerShift
824 XL
824
724
624 PowerShift
622
521
3521
Single stage
Vac/Blower
Lawnmower
Robin
Terms and Conditions
(C) by motoruf