back to
>
Roth / TORO
>
Hand operated
>
Lawnmower
>
2-stroke SP
>
237/22036
>
0000001
>
ShortBlock Assy. (Model No. 47PK9-3)
Spare Parts Lists for Toro Roth / TORO ShortBlock Assy. (Model No. 47PK9-3)
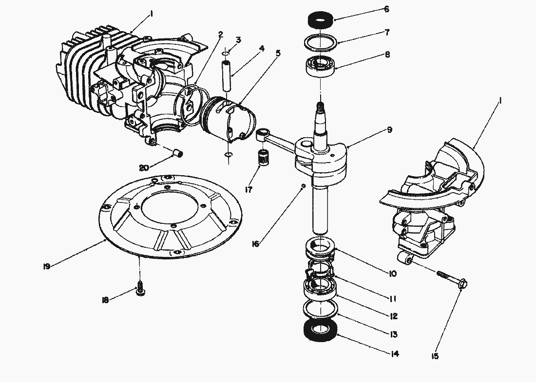
pos.
decription
spare part number
1
KURBELGEH. MIT ZYLINDER
81-2800
2
KOLBENRINGSATZ
81-0590
3
SICHERUNG
81-0620
4
KOLBENBOLZEN
81-0600
5
KOLBEN
81-2140
6
SIMMERRING
81-0720
7
SCHEIBE
81-0710
8
LAGER
81-0690
9
Crankshaft/Connecting Rod Assembly
81-4680
10
REGLERRING
81-0770
11
REGLERHALTER
81-0750
12
LAGER
81-0700
13
SCHEIBE
81-0730
14
SIMMERRING
81-0740
15
SCHRAUBE
81-0540
16
STIFT
81-0760
17
PLEUELLAGER
81-0610
18
SCHRAUBE
81-0570
19
MOTORPLATTE
81-0560
20
SICHERUNG
81-0620
Short Block
12-8099
Lists
Toro
Roth / TORO
Ride-On Mowers
Hand operated
Sweeper
Snowthrower
Vac/Blower
Lawnmower
Grass Baggers
4-stroke SP
4-stroke
2-stroke SP
295/26643
295/26643 B
295/26640 BC
295/26640 B
287/20916B
277
255/22700 BC
255/22700
239
237/22045
237/22045 B
237/22044 BC
237/22036
2000001
1000001
0000001
Carburetor Assy. (Model No. 47PK9-3)
Recoil Assy. (Model No. 47PK9-3)
Governor Assy. (Model No. 47PK9-3)
Ignition Assy. (Model No. 47PK9-3)
Muffler Assy. (Model No. 47PK9-3)
ShortBlock Assy. (Model No. 47PK9-3)
Side Discharge Chute Model No. 59110 (Optional)
Steel Grass Catcher (Model 22099)(Optional)
Bag Assy. No. 11-5609
Fuel Tank Assy.
Handle Assy.
Gearbox Assy. (Cont.)
Gearbox Assy.
Engine Assy.
Housing Assy. (Cont.)
Housing Assy.
237/22035
234
224
222/16212 WG
2-stroke
Electric
Battery
Robin
Terms and Conditions
(C) by motoruf