back to
>
Roth / TORO
>
Hand operated
>
Snowthrower
>
Two stage
>
624 PowerShift
>
627/38505
>
0000001
>
Traction Drive Assy.
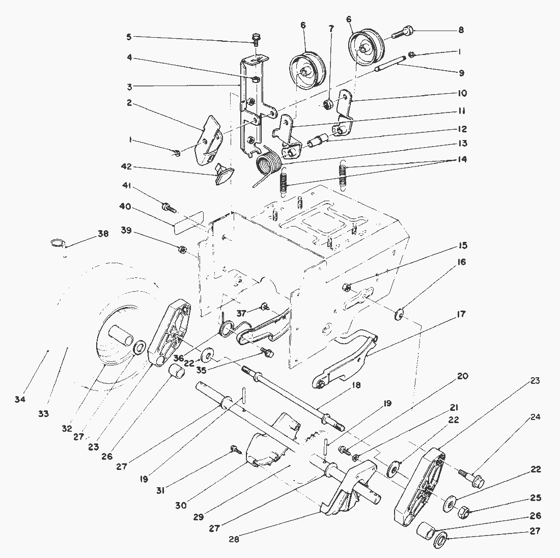
Spare Parts Lists for Toro Roth / TORO Traction Drive Assy.
pos.
decription
spare part number
67-9220
pos.
decription
spare part number
1
Ring-Retaining
32120-46
2
Arm-Brake
63-2810
3
Bracket-Idler Arm
63-2850
4
MUTTER
3296-42
5
Hex Flange Capscrew
3234-13
6
Pulley Idler
3-4244
7
Nut-Lock
3296-59
8
Screw-Cap Hex Hd.
323-7
9
Pin-Idler
62-0970
10
Arm-Traction Idler
62-1260
11
Arm-Impeller Idler
62-1280
12
Bushing-Idler
62-1210
13
Spring-Torsion
63-2880
14
Spring-Extension
63-2870
15
Locknut
3296-39
16
Washer-Belleville
3290-461
17
Latch-Arm
62-0470
18
Rod-Latch
66-7720
19
Roll Pin
32121-9
20
Screw Thread Forming
32144-4
21
Washer-Plain
3256-1
22
Washer
63-3340
23
Pivot Arm Assembly (Incl. Ref.
66-7740
24
Bolt-Shoulder
62-1330
25
Nut-Lock
3296-23
26
Bushing-Axle
63-2250
27
Thrust Washer
252-80
28
Guard-Chain L.H.
62-1010
29
Axle Assembly
63-2110
30
Guard-Chain R.H.
62-1000
31
Screw-Hex Flange Hd.
32104-118
32
Rim-Wheel
241-128
33
Tube
232-46
34
Tire
231-120
35
Bolt-Shoulder
5-2490
36
Spring-Torsion
63-2740
37
Fastener-Panel
3290-476
38
Klip Pin
3290-243
39
Nut-Lock
3296-47
40
Decal-Adjustment (Model No. 38500)
63-3460
Decal-Adjustment (Model No. 38505)
63-3470
41
Screw-Hex. Washer Hd.
3234-7
42
Pad-Brake
66-8060
Tire Chain Kit (Optional)
56-2700
Lists
Toro
Roth / TORO
Ride-On Mowers
Hand operated
Sweeper
Snowthrower
Attachements
Two stage
1332 PowerShift
1232 PowerShift
1132 PowerShift
1132
1028 PowerShift
924 PowerShift
828 PowerShift
824 PowerShift
824 XL
824
724
624 PowerShift
627/38513
627/38510
627/38505
9000001
8000001
1000001
0000001
Engine No. 68-8280 Fuel System & Muffler (Cont.)
Engine No. 68-8280 Fuel System & Muffler
Engine No. 68-8280 Ignition Assy.
Engine No. 68-8280 Crankcase Assy. (Cont.)
Engine No. 68-8280 Crankcase Assy.
Differential Kit Model No. 38038 (Optional)
Snow Cab Assy. No. 68-9500 (Optional)
Light Kit No. 66-7950 (Optional)
Handle Assy.
Drift Breaker Assy. (Optional)
Traction Linkage Assy.
Traction Drive Assy.
Transmission Assy. No. 66-8030 (Cont.)
Transmission Assy. No. 66-8030
Engine Assy.
24 Auger Gearcase Assy. No. 66-8020
Housing & Chute Assy. (Cont.)
Housing & Chute Assy.
622
521
3521
Single stage
Vac/Blower
Lawnmower
Robin
Terms and Conditions
(C) by motoruf