back to
>
Roth / TORO
>
Hand operated
>
Snowthrower
>
Single stage
>
CR 1000
>
603/38195
>
69000001
>
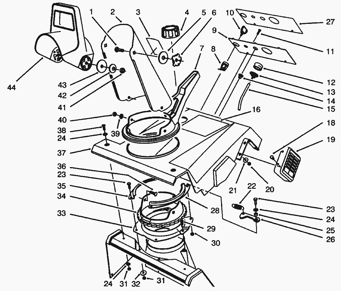
Upper Shroud Assy. (Cont.)
Spare Parts Lists for Toro Roth / TORO Upper Shroud Assy. (Cont.)
pos.
decription
spare part number
28
Retainer-Chute Ring L.H.
71-4980
29
Screw-Special
46-8092
30
STOPMUTTER
3296-56
31
MUTTER
3296-42
32
Washer
3256-22
33
Support-Chute Ring
55-8921
34
Ring-Chute
71-4950
35
Retainer-Chute Ring R.H.
71-4990
36
Carriage Bolt
3230-16
37
Shroud-Upper
80-4811
38
Screw-Phillips
3250-32
39
Washer-Flat
3256-70
40
Locknut
32149-1
41
MUTTER
3296-29
42
Washer-Belleville
3290-456
43
Washer
3256-68
44
Deflector
56-2680
Lists
Toro
Roth / TORO
Ride-On Mowers
Hand operated
Sweeper
Snowthrower
Attachements
Two stage
Single stage
Snow Commander
CCR 3650 GTS
CCR 3000
CCR 2450
CCR 2400
CCR 2000
CR 1000
603/38196
603/38195
69000001
Recoil Starter No. 590735
Recoil Starter No. 590652
Engine Tecumseh Model No. HSK600-1681S
Carburetor No. 632641
Handle Assy.
Engine & Frame Assy. Model 38190 (Recoil)
Rotor Housing Assy.
Rotor Assy.
Upper Shroud Assy. (Cont.)
Upper Shroud Assy.
59000001
49000001
39000001
2000001
1000001
0000001
603/38191
CR 20
CR 20 R
S 620
S 200
CCR Powerlite
Vac/Blower
Lawnmower
Robin
Terms and Conditions
(C) by motoruf