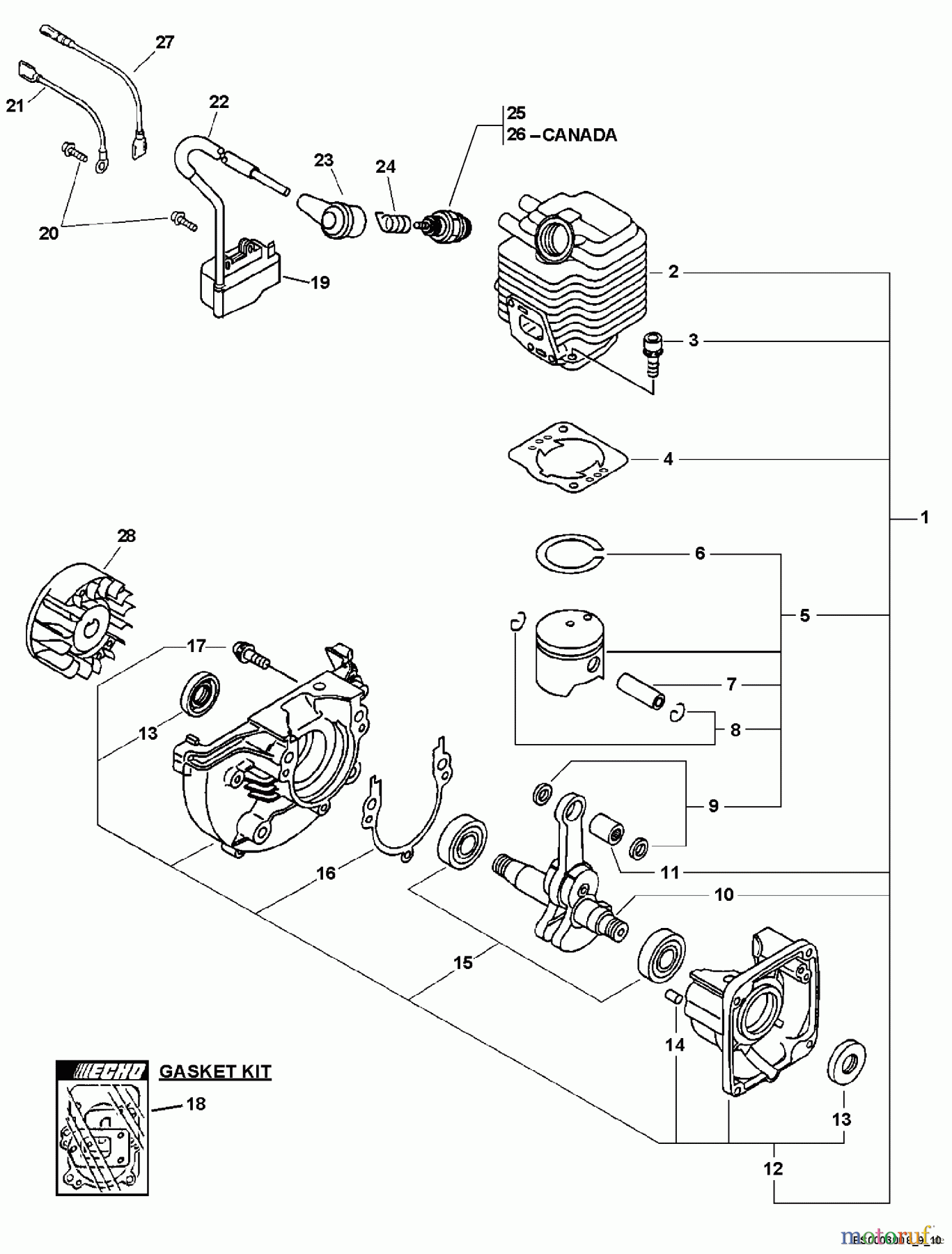
Echo ES-210 - Shredder/Vacuum, S/N: 08001001 - 08999999 Engine, Short Block, Ignition Spareparts
Engine, Short Block, Ignition ES-210 - Echo Shredder/Vacuum, S/N: 08001001 - 08999999



Report Error
Help us to improve this site. Notify us if something is wrong here.


