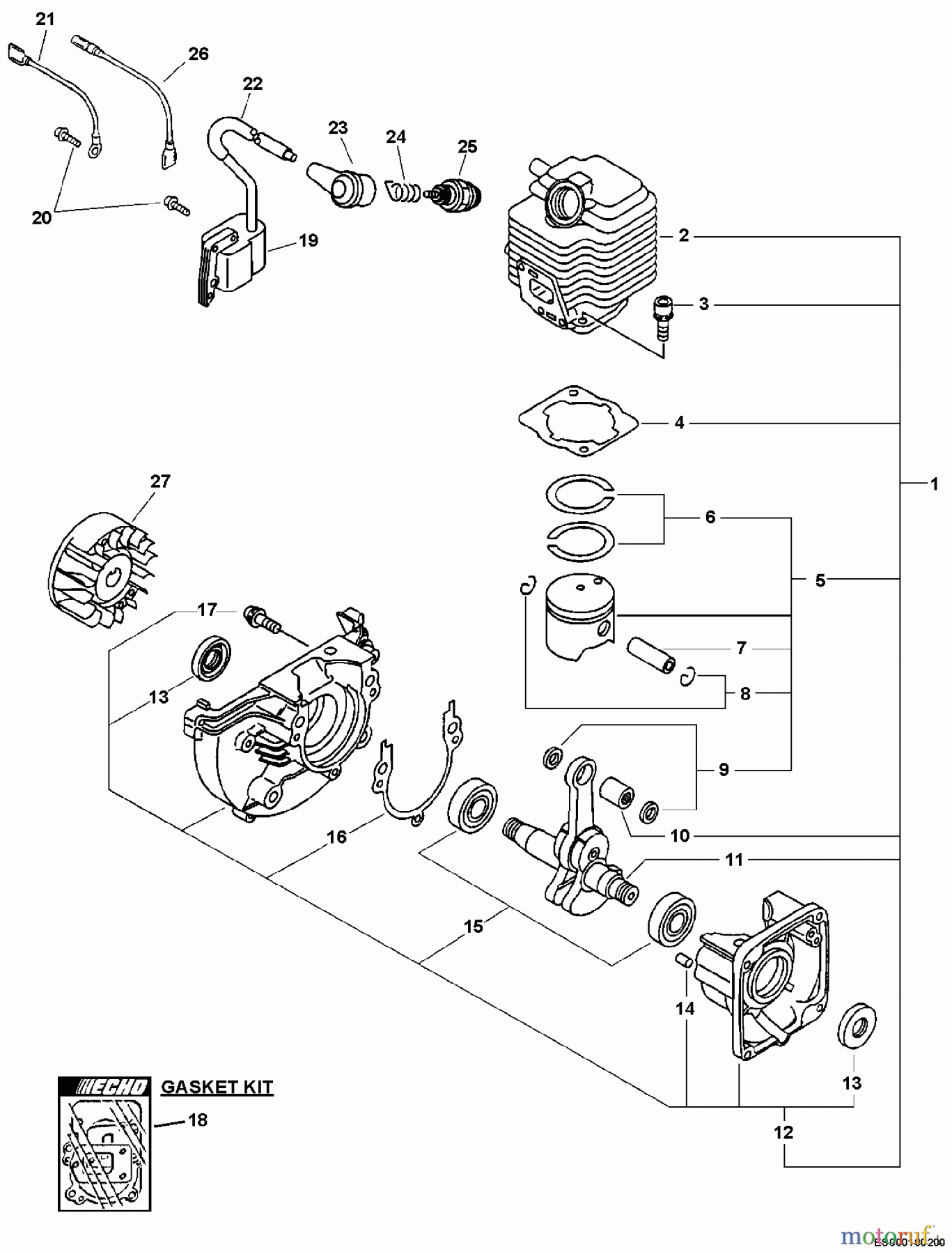
Echo ES-211 - Shredder/Vacuum, S/N: 02001001 - 02999999 Engine, Short Block, Ignition Spareparts
Engine, Short Block, Ignition ES-211 - Echo Shredder/Vacuum, S/N: 02001001 - 02999999



Report Error
Help us to improve this site. Notify us if something is wrong here.


