.com
Shopping Basket
empty
Your Account
Log in
Register
Home
Contact
About
Guestbook
Shipping Costs
Terms and Privacy
SPAREPARTS
Search by Part Number
Diagrams & Parts Lists
Gardening & Forestry
Industry & Shop
Chainsaw Chains
Guide Bars
Sprocket Rims
CATALOG
Mowing, trimming
Engine parts
Workshop
Components
Forestry
Electrical items
Winter items
V-belts / Pulleys
Filters
Toys
Agricultural Parts
Topseller
SERVICE
We search for You
Determine Chain
DE
EN
FR
ES
IT
Mobile
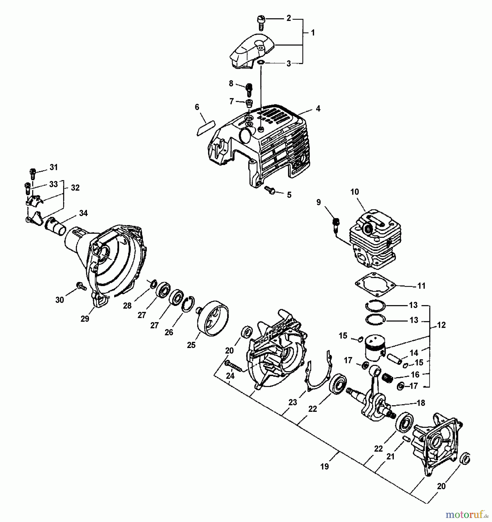
Echo PE-3100 - Edger (Type 1E) Clutch Housing, Engine, Engine Cover Spareparts
Start
Echo
Kantenschneider
PE-3100 - Echo Edger (Type 1E)
Clutch Housing, Engine, Engine Cover
Clutch Housing, Engine, Engine Cover PE-3100 - Echo Edger (Type 1E)
Pos
Article Number
Description
1
16-159902-55230
Zylindergehäuseschutz
2
16-352325-55230
Rändelmutter SRM-3150/3155
3
16-900720-00004
O- Ring/SHR-170SI
4
1610151455830
5
16-900162-05012
Bolzen EA-410
6
1689011258830
7
16-101531-55230
Buchse SRM-3150, SRM-3155
8
16-900162-05020
Schraube M5x20 PB-6000/-46LN/-
9
16-900162-05020
Schraube M5x20 PB-6000/-46LN/-
10
16-101034-55630
Zylinder SRM-3150
11
16-101010-55430
Fußdichtung, Papier SRM-3150/
12
16-100000-55431
Kolben kpl. SRM-3150 SRM-3155
13
16-100011-16131
Kolbenring SRM-320
14
16-100013-27430
Kolbenbolzen SRM-320, SRM-350
15
16-100015-03931
Sicherungsring
16
16-100012-16131
Nadellager SRM-320/SRM-350/
17
16-100014-53630
Distanzscheibe, Kolben SRM-
18
16
16
19
16
16
20
16-100213-05530
Simmerring SRM-320/350/RM-
21
16-V622-000020
Stift
22
16-94035-36201
Kugellager EA-410/SHR-170SI
23
16
16
24
16-900162-05030
Schraube CS-3500,-3501, SRM-
25
1617500555730
26
16-900702-00028
Seegerring, innen, 28mm
27
169405106001
28
16-900701-00012
Seegerring außen 12mm
29
1610151155830
30
16-900162-05020
Schraube M5x20 PB-6000/-46LN/-
31
16-900162-05012
Bolzen EA-410
32
1661090355430
33
16-900162-05025
Schraube 5x25 CS-5100/PB-46LN/
34
1661091055730
16SB1028
1688900055430
16-101010-55430
Fußdichtung, Papier SRM-3150/
16
16
16-130010-05960
Dichtung
1613001055730
16-145510-55430
Auspuffdichtung SRM-3150
1614586655730
Report Error
Help us to improve this site. Notify us if something is wrong here.