.com
Shopping Basket
empty
Your Account
Log in
Register
Home
Contact
About
Guestbook
Shipping Costs
Terms and Privacy
SPAREPARTS
Search by Part Number
Diagrams & Parts Lists
Gardening & Forestry
Industry & Shop
Chainsaw Chains
Guide Bars
Sprocket Rims
CATALOG
Mowing, trimming
Engine parts
Workshop
Components
Forestry
Electrical items
Winter items
V-belts / Pulleys
Filters
Toys
Agricultural Parts
Topseller
SERVICE
We search for You
Determine Chain
DE
EN
FR
ES
IT
Mobile
Echo HCA-261 - Hedge Trimmer, S/N: 02001001 - 02999999 Articulating Gear Case Spareparts
Start
Echo
Heckenscheren
HCA-261 - Echo Hedge Trimmer, S/N: 02001001 - 02999999
Articulating Gear Case
Articulating Gear Case HCA-261 - Echo Hedge Trimmer, S/N: 02001001 - 02999999
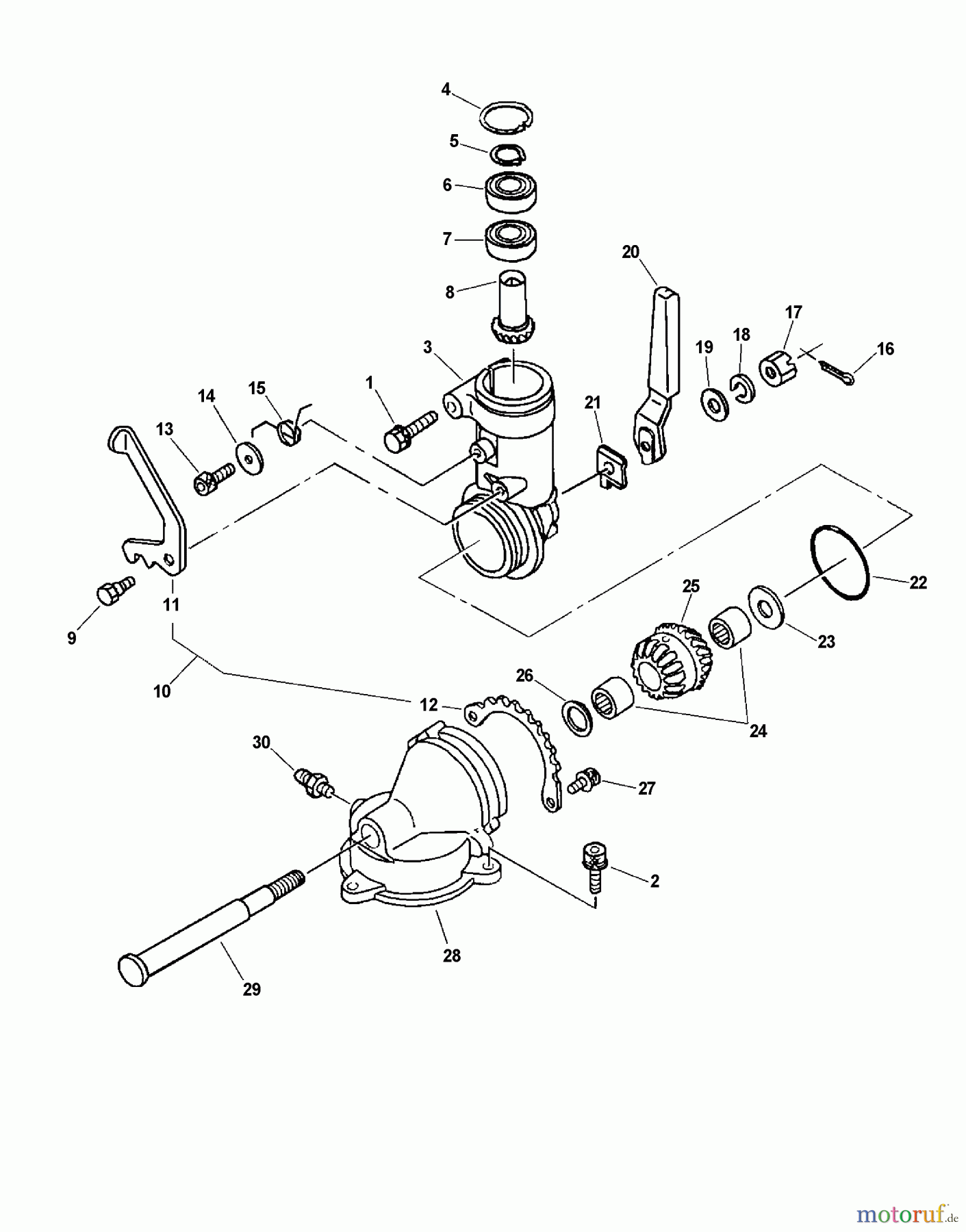
Pos
Article Number
Description
1
16-900142-05035
Schraube(Eisen) (10)
2
16-900162-05018
Schraube 5x18 (Eisen) PB-500
3
16-610410-12361
Rohrflanschgehäuse HCA-2400
4
16-900702-00022
Seegerring, innen, 22mm HCA-
5
16-900706-00010
Haltering
6
16-900858-06900
Kugellager,NSK (Nippon Seikkon
7
16-900855-06900
Kugellager, NSK (Nippon
8
16-610311-12360
Antriebswelle HCA-2400/2410
9
16-610474-12360
Schraube HCA-2410
10
16-P021-000850
Zahnsegment HCA-2400/2410
11
16-610472-12361
Hebel f.Zahnsegment HCA-2400/
12
16-610470-12361
Zahnsegment HCA-2400/2410
13
16-900162-05014
Schraube M 5x14
14
16-900603-00005
Scheibe(Eisen) CS-2600/PB-250/
15
16-178013-12360
Einrastfeder HCA-2400/2410
16
16-900300-16016
Splint HCA-2400
17
16-900529-00006
Mutter HCA-2400/2410
18
16-900605-00006
Scheibe SHR-150SI/-170SI
19
16-403720-07350
Scheibe
20
16-190511-12362
Hebel HCA-2400/2410
21
16-610478-12361
Anschlag HCA-2400/2410
22
16-900724-00032
O-Ring HCA-2400
23
16-610350-12360
Scheibe HCA-2410
24
16-100113-11520
Nadellager HCA-2400/2410
25
16-610361-12360
Zahnrad - Winkelgetriebe HCA-
26
16-610317-12460
Scheibe HCA-2400/2410
27
16-900162-04010
Schraube CS-4500,-4000,-6701,-
28
16-610431-12360
Gehäuse HCA-2400/12360
29
16-610310-12360
Schaft HCA-2400/2410
30
16-880110-10860
Schmiernippel M6 HCA-2410,
Report Error
Help us to improve this site. Notify us if something is wrong here.