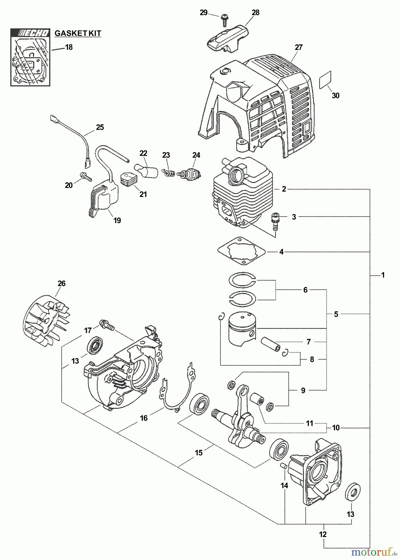
Echo SHC-2100 - Shaft Hedge Trimmer (Type 1) Engine, Crankcase, Ignition, Cylinder Cover Spareparts
Engine, Crankcase, Ignition, Cylinder Cover SHC-2100 - Echo Shaft Hedge Trimmer (Type 1)



Report Error
Help us to improve this site. Notify us if something is wrong here.


