.com
Shopping Basket
empty
Your Account
Log in
Register
Home
Contact
About
Guestbook
Shipping Costs
Terms and Privacy
SPAREPARTS
Search by Part Number
Diagrams & Parts Lists
Gardening & Forestry
Industry & Shop
Chainsaw Chains
Guide Bars
Sprocket Rims
CATALOG
Mowing, trimming
Engine parts
Workshop
Components
Forestry
Electrical items
Winter items
V-belts / Pulleys
Filters
Toys
Agricultural Parts
Topseller
SERVICE
We search for You
Determine Chain
DE
EN
FR
ES
IT
Mobile
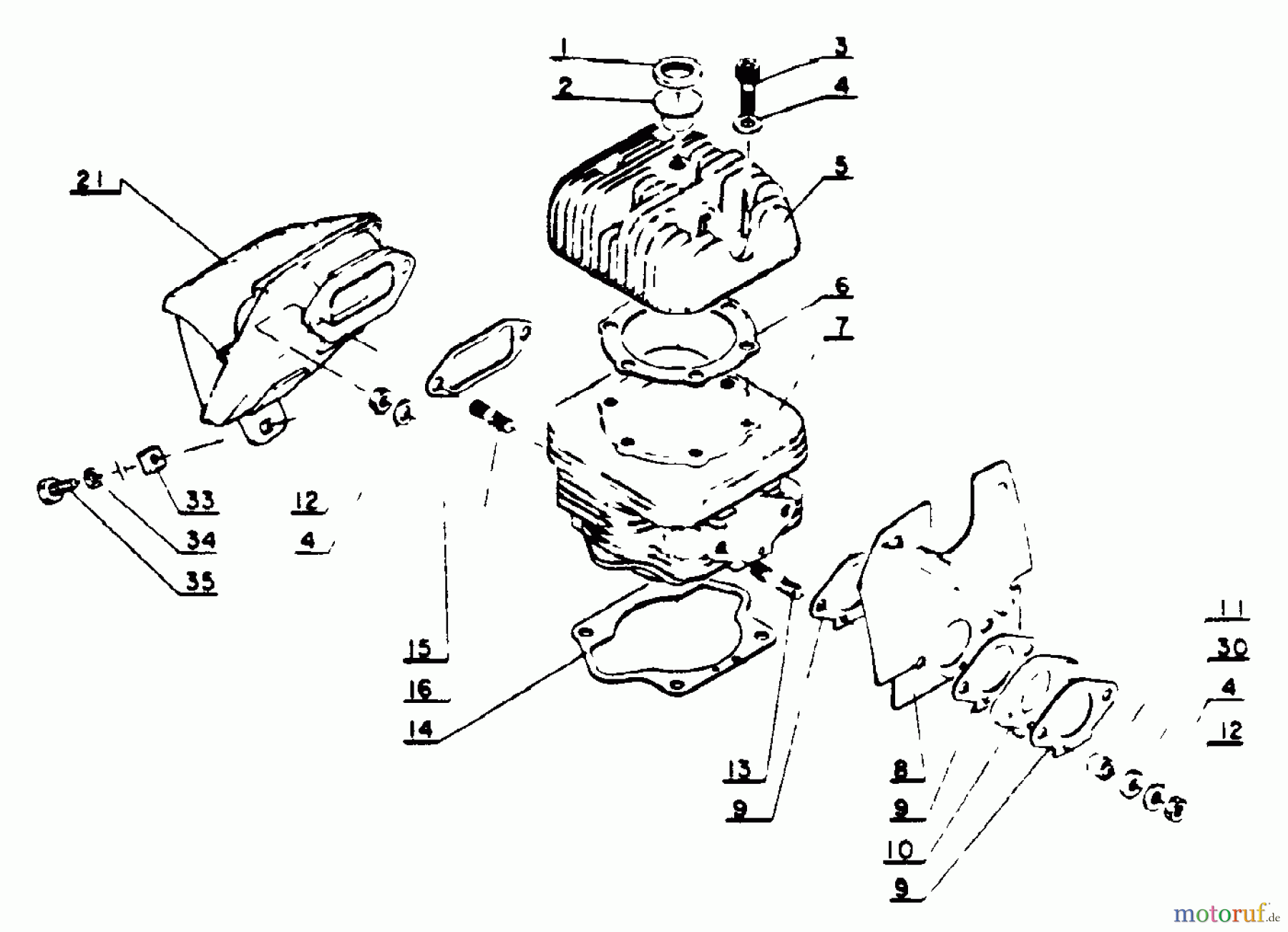
Echo CS-100 - Chainsaw Engine, Exhaust Spareparts
Start
Echo
Sägen, Kettensägen
CS-100 - Echo Chainsaw
Engine, Exhaust
Engine, Exhaust CS-100 - Echo Chainsaw
Pos
Article Number
Description
1
1699999999999
2
1610102100130
3
16-900105-06022
Schraube Produktion
4
16-900600-00006
Scheibe
5
1610101900131
6
1610101800130
7
1610101100131
8
1613001100131
9
16-130010-00130
Dichtung
10
1613001700130
11
1613001900130
12
16-900560-00006
Mutter
13
1610101400130
14
1610101000130
15
1614551000130
16
1610101400130
21
1614560000133
30
1613002500130
33
1614571300130
33
1614571300131
34
16-900605-00005
Scheibe PB-250/EC-7600
35
1690000105012
35
16-900100-05012
Schraube(Eisen) M5x12 SRM-
Report Error
Help us to improve this site. Notify us if something is wrong here.