.com
Home
Contact
About
Guestbook
Shipping Costs
Terms and Privacy
SPAREPARTS
Search by Part Number
Diagrams & Parts Lists
Gardening & Forestry
Industry & Shop
Chainsaw Chains
Guide Bars
Sprocket Rims
CATALOG
Mowing, trimming
Engine parts
Workshop
Components
Forestry
Electrical items
Winter items
V-belts / Pulleys
Filters
Toys
Agricultural Parts
Topseller
SERVICE
We search for You
Determine Chain
Your Account
Log in
Register
Settings
DE
EN
FR
ES
IT
PC Version
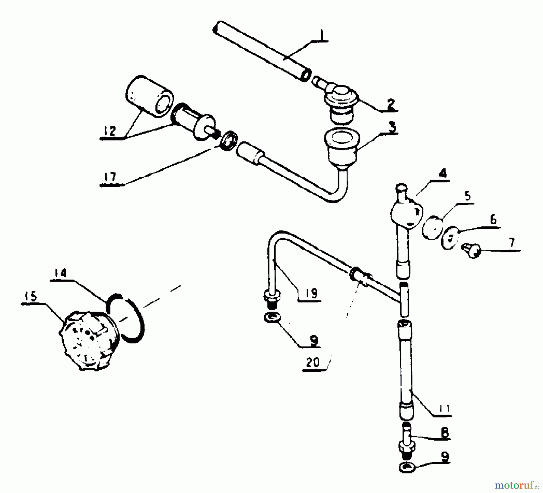
Echo CS-100 - Chainsaw Fuel System Spareparts
Start
Echo
Sägen, Kettensägen
CS-100 - Echo Chainsaw
Fuel System
Fuel System CS-100 - Echo Chainsaw
Pos
Article Number
Description
1
1699999999999
2
1613201100130
3
16-132010-00130
Benzinleitung(Gummi)
4
1613131200130
5
1613131500330
6
16-131313-00330
Halter
7
16
16
8
16-131311-00331
Verbindung
9
16-131310-00230
Dichtung
11
1613132000130
12
16-131205-30830
Benzinfilter
14
16-900720-00029
O-Ring CS-4500, CS-4601, CSG-
15
1613101700130
17
1613201300130
19
1613130500131
20
1643741000130
Report Error
Help us to improve this site. Notify us if something is wrong here.