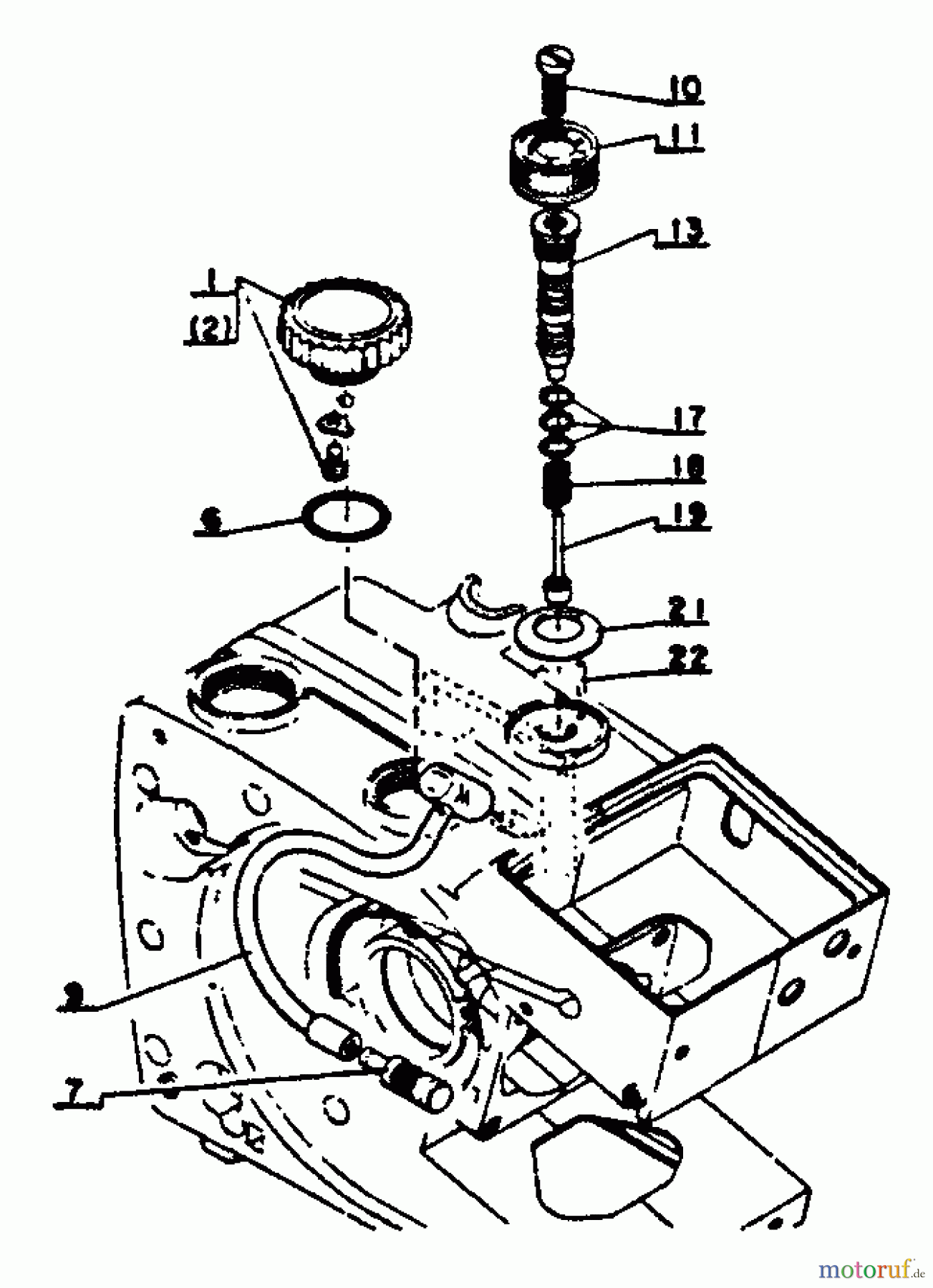
Echo CS-302 - Chainsaw Oiler, Auto Spareparts
Oiler, Auto CS-302 - Echo Chainsaw

Echo CS-302 - Chainsaw Oiler, Auto Spareparts

Number: 16-437020-02830
Search for: 16-437020-02830
Manufacturer: Echo
Echo Oiler, Auto
Search for: 16-437020-02830
Manufacturer: Echo
Echo Oiler, Auto
3.64 €
for EU Including VAT, plus shipping




