.com
Shopping Basket
empty
Your Account
Log in
Register
Home
Contact
About
Guestbook
Shipping Costs
Terms and Privacy
SPAREPARTS
Search by Part Number
Diagrams & Parts Lists
Gardening & Forestry
Industry & Shop
Chainsaw Chains
Guide Bars
Sprocket Rims
CATALOG
Mowing, trimming
Engine parts
Workshop
Components
Forestry
Electrical items
Winter items
V-belts / Pulleys
Filters
Toys
Agricultural Parts
Topseller
SERVICE
We search for You
Determine Chain
DE
EN
FR
ES
IT
Mobile
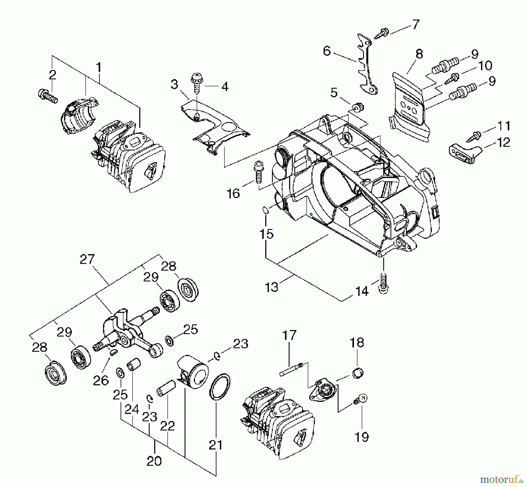
Echo CS-350TES - Chainsaw, S/N: C24126001001 - C24126999999 Engine, Engine Housing Spareparts
Start
Echo
Sägen, Kettensägen
CS-350TES - Echo Chainsaw, S/N: C24126001001 - C24126999999
Engine, Engine Housing
Engine, Engine Housing CS-350TES - Echo Chainsaw, S/N: C24126001001 - C24126999999
Pos
Article Number
Description
1
16-P021-009250
Zylinder mit Kurbelgehäuse CS-
2
16-900162-05025
Schraube 5x25 CS-5100/PB-46LN/
3
16-A127-000050
Staubdeckel CS-350T
4
16-900253-04012
Schraube CS-2600
5
16-163911-30130
Gumminippel CS-2600
6
16-C304-000000
Klaue
7
16-900253-05020
Schraube 5x20/T-226 CS-3500,
8
16-C305-000080
Führungsblech CS-350TES
9
16-V224-000031
Stehbolzen CS-300/3050/3400/
10
16-900253-04010
Schraube(Eisen) M4x10 CS-6702
11
16-900253-05020
Schraube 5x20/T-226 CS-3500,
12
16-433026-35430
Kettenfangbolzen CS-2600/-
13
16-P021-008678
Motor-Gehäuse CS-350TES
14
16-900106-05030
Schraube 5x30 CS-350T/PB-650/
15
16-900724-00004
O-Ring CS-2600ES (10)
16
16-900106-05020
Schraube 5x20 CS-2600/PB-6000/
17
16-V470-000482
Benzinleitung / CS-350T
18
16-V359-000060
Scheibe CS-350T
19
16-91420-05012
Schraube 5x12 CS-350T, CS-
20
16-P021-009230
Kolben CS-350T
21
16-A101-000120
Kolbenring CS-350TES
22
16-100013-15330
Kolbenbolzen CS-280EG/-3500/
23
16-100015-04630
Sicherungsring(Eisen) CS-2600/
24
16-V553-000040
Nadellager CS-350t/-3501/RMA-
25
16-100014-60930
Distanzscheibe, Kolben CS-
26
16-100142-12330
Polradkeil CS-3500/3501/SRM-
27
16P021010703
28
16-V505-000011
Simmerring CS-3600/3501
29
16-94035-36201
Kugellager EA-410/SHR-170SI
Report Error
Help us to improve this site. Notify us if something is wrong here.