.com
Shopping Basket
empty
Your Account
Log in
Register
Home
Contact
About
Guestbook
Shipping Costs
Terms and Privacy
SPAREPARTS
Search by Part Number
Diagrams & Parts Lists
Gardening & Forestry
Industry & Shop
Chainsaw Chains
Guide Bars
Sprocket Rims
CATALOG
Mowing, trimming
Engine parts
Workshop
Components
Forestry
Electrical items
Winter items
V-belts / Pulleys
Filters
Toys
Agricultural Parts
Topseller
SERVICE
We search for You
Determine Chain
DE
EN
FR
ES
IT
Mobile
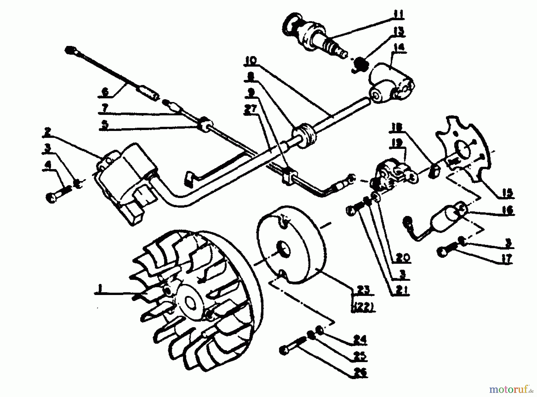
Echo CS-451VL - Chainsaw Magneto Spareparts
Start
Echo
Sägen, Kettensägen
CS-451VL - Echo Chainsaw
Magneto
Magneto CS-451VL - Echo Chainsaw
Pos
Article Number
Description
1699999999999
1
1615420003430
2
16-154126-03431
Zündspule Produktion
5
16-154111-03431
Buchse
7
1615413303430
8
16
16
9
16-154114-03431
Buchse Produktion eingestellt
10
16
16
15
1615413203431
16
16-156127-10130
Kondensator Produktion
17
16
16
18
16-154134-03430
Schmierfilz Produktion
19
16-156101-10131
Kontaktsatz Produktion
20
16-900600-00004
Scheibe
21
16-900220-04008
Schraube
22
16
16
23
16-154112-03432
Kontaktabdeckung Produktion
24
16-900600-00003
U-Scheibe 3 (50) PB-500
25
16-900605-00003
Scheibe
26
16-900220-03025
Schraube
27
16-150111-00430
Zündkabel
3
16-900605-00004
Scheibe
4
16-900220-04018
Schraube
6
1615413103430
8
16-154110-03430
Buchse Produktion eingestellt
11
16-159010-00330
Zündkerze
13
16-159011-03432
Kontaktfeder CS-2600/4200/PB-
14
16-159012-03433
Zündkerzenkappe, Gummi PPT-
28
16-100262-03430
Stehbolzen Produktion
29
16-100257-03430
Stehbolzen Produktion
30
16-900600-00004
Scheibe
31
1690050900004
32
1615412003430
Report Error
Help us to improve this site. Notify us if something is wrong here.