.com
Shopping Basket
empty
Your Account
Log in
Register
Home
Contact
About
Guestbook
Shipping Costs
Terms and Privacy
SPAREPARTS
Search by Part Number
Diagrams & Parts Lists
Gardening & Forestry
Industry & Shop
Chainsaw Chains
Guide Bars
Sprocket Rims
CATALOG
Mowing, trimming
Engine parts
Workshop
Components
Forestry
Electrical items
Winter items
V-belts / Pulleys
Filters
Toys
Agricultural Parts
Topseller
SERVICE
We search for You
Determine Chain
DE
EN
FR
ES
IT
Mobile
Echo CS-550EVLP - Chainsaw Carburetor Spareparts
Start
Echo
Sägen, Kettensägen
CS-550EVLP - Echo Chainsaw
Carburetor
Carburetor CS-550EVLP - Echo Chainsaw
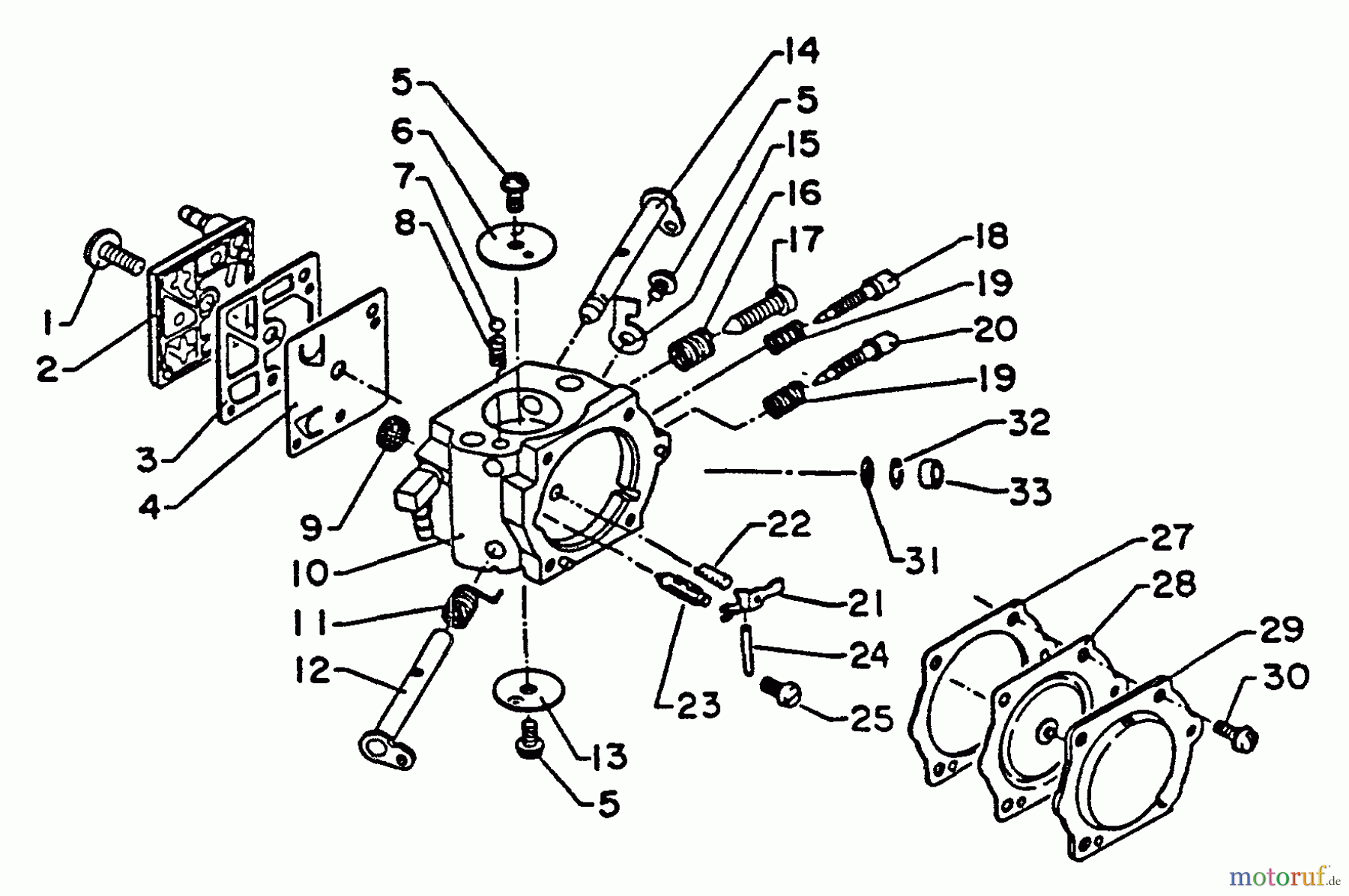
Pos
Article Number
Description
1699999999999
1
16-123110-03930
Schraube CS-2600/3700/452GS/
2
16-123124-12330
Deckel Produktion eingestellt
3
16-123125-12330
Dichtung CSG-680, CS-4500, CS-
4
16-123112-12330
Membrane CSG-680, CS-8000, CS-
5
16-123114-03930
Schraube
6
16-123132-16130
Nadelventil
7
16-123136-10630
Kugel, CS-3700
8
16-123135-10630
Feder CS-3700
9
16-123126-10631
Sieb, Vergaser, Einlass PPT-
11
16-123113-12330
Feder Produktion eingestellt
12
16-123117-12330
Gasgestänge Produktion
13
16-123116-03930
Drosselklappe CS-350/350T
14
1612313117330
15
16-123156-12330
Anschlag CS-4500, CS-6701, CS-
16
16-123133-11130
Feder
17
16-123134-06530
Einstellschraube, PB-400E
18
1612311817330
19
16-123121-03930
Feder
20
1612312017330
21
16-123123-16130
Einlassregelhebel
22
16-123122-16130
Feder CS-6701, CS-8000, CS-
23
16-123137-16130
Einlassventil
24
16-123138-03930
Stift, Ventilhalter, Vergaser
25
16-123139-03930
Schraube CS-2600/3700/452GS/
27
16-123140-16130
Dichtung CS-600
28
16-123141-16130
Regelmembrane
29
16-123142-17330
Deckel
30
16-123130-02960
Schraube CS-2600/3700/6702/
31
16-123168-10631
Scheibe CS-3700
32
16-123169-10630
Ring CS-3700
33
16-123146-17330
Stift CS-3700
10
16
16
16-123103-17331
Membransatz Verg. HAD-14B/HAD-
1612310217331
Report Error
Help us to improve this site. Notify us if something is wrong here.