.com
Shopping Basket
empty
Your Account
Log in
Register
Home
Contact
About
Guestbook
Shipping Costs
Terms and Privacy
SPAREPARTS
Search by Part Number
Diagrams & Parts Lists
Gardening & Forestry
Industry & Shop
Chainsaw Chains
Guide Bars
Sprocket Rims
CATALOG
Mowing, trimming
Engine parts
Workshop
Components
Forestry
Electrical items
Winter items
V-belts / Pulleys
Filters
Toys
Agricultural Parts
Topseller
SERVICE
We search for You
Determine Chain
DE
EN
FR
ES
IT
Mobile
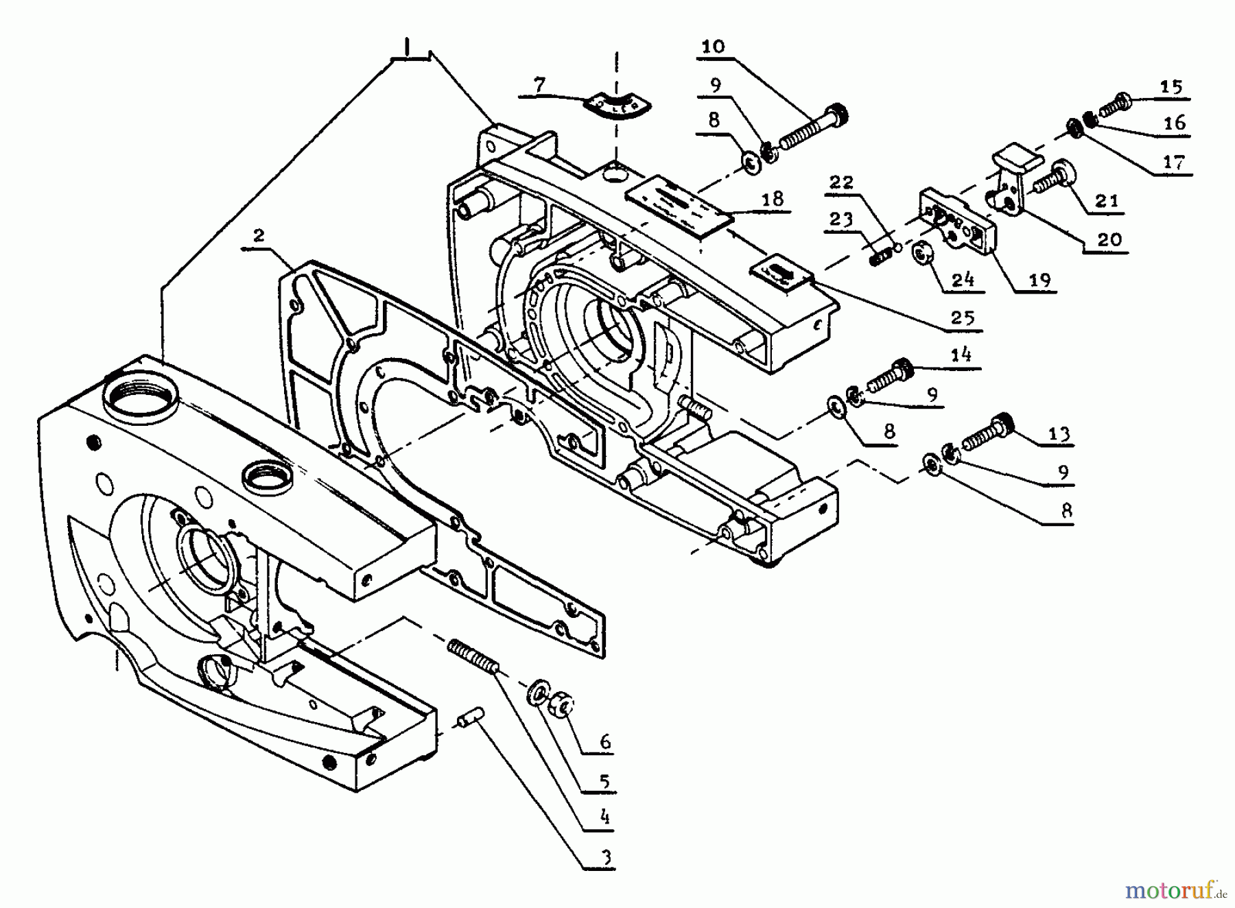
Echo CS-601S - Chainsaw Crankcase Spareparts
Start
Echo
Sägen, Kettensägen
CS-601S - Echo Chainsaw
Crankcase
Crankcase CS-601S - Echo Chainsaw
Pos
Article Number
Description
1
1699999999999
2
16-100242-02832
Kurbelgehäusedicht. Produktion
3
16-100215-02830
Bolzen Produktion eingestellt
4
16-100214-02830
Bolzen Produktion eingestellt
5
16-900600-00006
Scheibe
6
16-900500-00006
Mutter HC-2400, HCR-1500, PB-
7
1689002202831
8
16-100247-02830
Scheibe
9
16-900605-00005
Scheibe PB-250/EC-7600
10
16-900105-05035
Schraube M5x35
13
16-900105-05030
Schraube M5x30 (10)
14
16-900105-05018
Schraube 452GS (10)
15
16-900220-04010
Schraube
16
16-900605-00004
Scheibe
17
16-900600-00004
Scheibe
18
1689004602830
19
1617981303630
20
1617980503630
21
16-179816-03630
Schraube Produktion
22
1643711700130
23
16-179817-03630
Feder Produktion eingestellt
24
16-900500-00005
Mutter PPT-300ES/T-226 EDR-
25
1689014903730
Report Error
Help us to improve this site. Notify us if something is wrong here.