.com
Home
Contact
About
Guestbook
Shipping Costs
Terms and Privacy
SPAREPARTS
Search by Part Number
Diagrams & Parts Lists
Gardening & Forestry
Industry & Shop
Chainsaw Chains
Guide Bars
Sprocket Rims
CATALOG
Mowing, trimming
Engine parts
Workshop
Components
Forestry
Electrical items
Winter items
V-belts / Pulleys
Filters
Toys
Agricultural Parts
Topseller
SERVICE
We search for You
Determine Chain
Your Account
Log in
Register
Settings
DE
EN
FR
ES
IT
PC Version
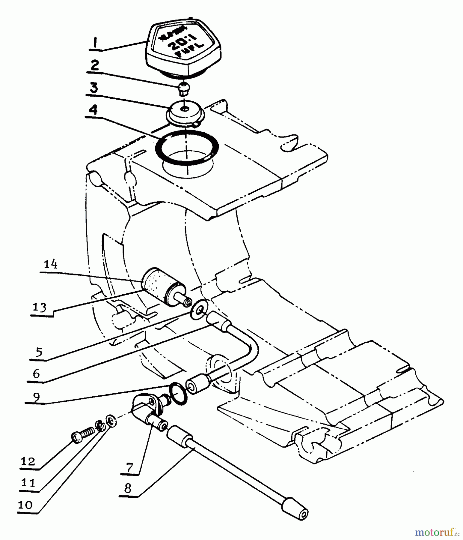
Echo CS-601S - Chainsaw Fuel Line Spareparts
Start
Echo
Sägen, Kettensägen
CS-601S - Echo Chainsaw
Fuel Line
Fuel Line CS-601S - Echo Chainsaw
Pos
Article Number
Description
1
1699999999999
2
16-131314-00330
Ventil CS-400EVL
3
16-131015-00830
Ventilhalter Produktion
4
16-900720-00029
O-Ring CS-4500, CS-4601, CSG-
5
16-900600-00006
Scheibe
6
16-132010-02834
Benzinleitung (Gummi)
7
16-132011-02832
Verbindungsstück Produktion
8
16-132018-10631
Benzinleitung Produktion
9
16-900720-00012
O-Ring
10
16-900600-00004
Scheibe
11
16-900605-00004
Scheibe
12
16-900220-04008
Schraube
16-131200-02830
Kraftstoff-Filter PB-400E CS-
13
16-131205-07321
Benzinfilter CS-3500/2600,SRM-
14
1613121402830
Report Error
Help us to improve this site. Notify us if something is wrong here.