.com
Home
Contact
About
Guestbook
Shipping Costs
Terms and Privacy
SPAREPARTS
Search by Part Number
Diagrams & Parts Lists
Gardening & Forestry
Industry & Shop
Chainsaw Chains
Guide Bars
Sprocket Rims
CATALOG
Mowing, trimming
Engine parts
Workshop
Components
Forestry
Electrical items
Winter items
V-belts / Pulleys
Filters
Toys
Agricultural Parts
Topseller
SERVICE
We search for You
Determine Chain
Your Account
Log in
Register
Settings
DE
EN
FR
ES
IT
PC Version
Echo CS-601SVL - Chainsaw Rear Handle Spareparts
Start
Echo
Sägen, Kettensägen
CS-601SVL - Echo Chainsaw
Rear Handle
Rear Handle CS-601SVL - Echo Chainsaw
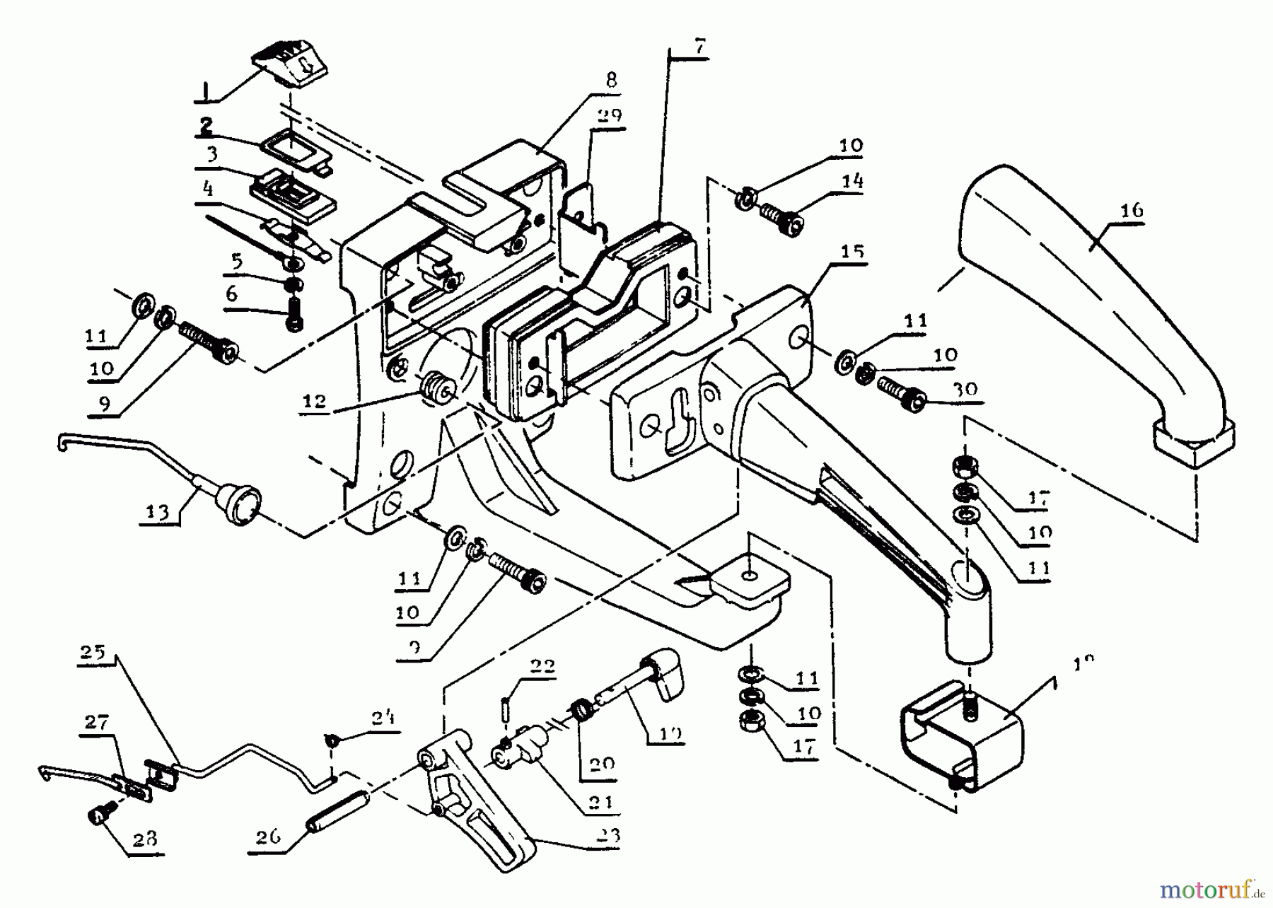
Pos
Article Number
Description
1
1699999999999
2
1616201103631
3
1616341103630
4
16-163412-00630
Kontaktfeder Produktion
5
16-900605-00004
Scheibe
6
16-900220-04010
Schraube
7
1635110503632
8
16-351123-03632
Träger Produktion eingestellt
9
16-900105-05020
Schraube DH2200ST/PPT-300ES
10
16-900605-00005
Scheibe PB-250/EC-7600
11
16-100247-02830
Scheibe
12
16-178810-02830
Gummitülle
13
1617850103631
14
16-900105-05010
Schraube PPT-300ES
15
1635111003631
16
16-351111-03631
Hinterer Handgriff Produktion
17
16-900562-00005
Sicherungsmutter HC-1600
18
1635110703631
19
16-178008-03630
Hebel
20
16-178013-03430
Feder Produktion eingestellt
21
1617801203630
22
16-900340-16010
Spannstift Produktion
23
1617801003632
24
1617851400230
25
1617800603632
26
1617811002830
27
1617803202830
28
1617801802831
29
1635112603630
30
16-900105-05015
Schraube
Report Error
Help us to improve this site. Notify us if something is wrong here.