.com
Home
Contact
About
Guestbook
Shipping Costs
Terms and Privacy
SPAREPARTS
Search by Part Number
Diagrams & Parts Lists
Gardening & Forestry
Industry & Shop
Chainsaw Chains
Guide Bars
Sprocket Rims
CATALOG
Mowing, trimming
Engine parts
Workshop
Components
Forestry
Electrical items
Winter items
V-belts / Pulleys
Filters
Toys
Agricultural Parts
Topseller
SERVICE
We search for You
Determine Chain
Your Account
Log in
Register
Settings
DE
EN
FR
ES
IT
PC Version
Echo CSG-680 - Chainsaw, Piston, Crankcase Spareparts
Start
Echo
Trennsägen
CSG-680 - Echo Chainsaw,
Piston, Crankcase
Piston, Crankcase CSG-680 - Echo Chainsaw,
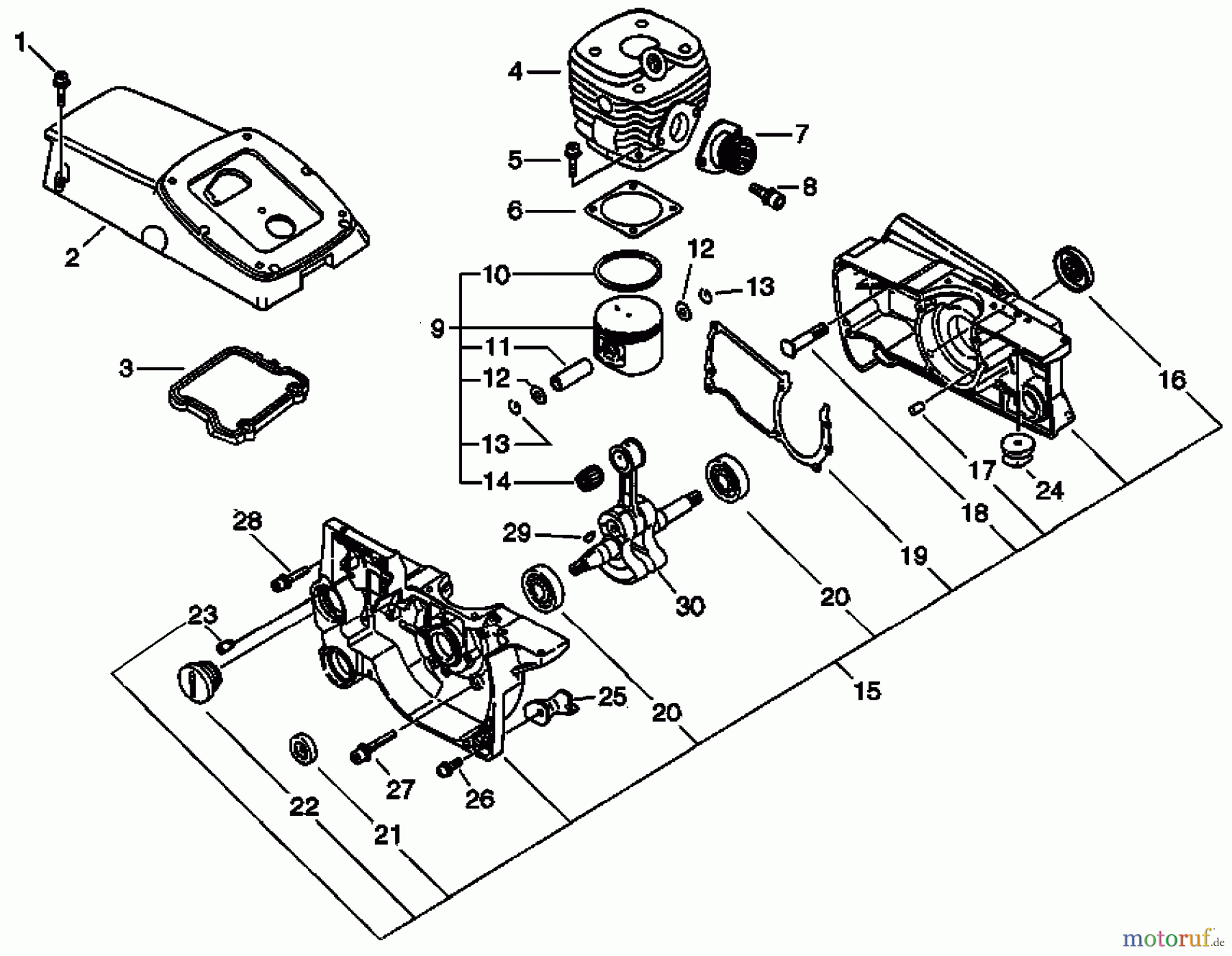
Pos
Article Number
Description
1
16-900162-05020
Schraube M5x20 PB-6000/-46LN/-
2
16-A160-000601
Zylinderabdeckung CSG-680
3
16-V420-000701
Dämpfer CSG-680
4
16-A130-000980
Zylinder CSG-680
5
16-900162-05025
Schraube 5x25 CS-5100/PB-46LN/
6
16-101010-32431
Dichtung, Papier
7
16-A202-000040
Ansaugstutzen CSG-680
8
16-900162-05014
Schraube M 5x14
9
16-P021-015290
Kolben
10
16-A101-000150
Kolbenring
11
16-V610-000000
Kolbenbolzen, CS-6703
12
16-100014-18430
Ring CSG-680/CS-680
13
16-V580-000000
Sicherungsring, Kolben CS-6702
14
16-100012-32430
Nadellager CS-6701, CSG-6700,
15
16P021007492
16
16-100212-32430
Simmerring CS-4500/-6701, CSG-
17
16-100215-02830
Bolzen Produktion eingestellt
18
1643301121861
19
16-100242-32430
Dichtung CS-5501, CSG-680, CS-
20
16-900810-36202
Kugellager PB-500/EA-410/EC-
21
16-100212-19830
Simmerring CS-4500, CS-6701,
22
1643601307061
23
16-436114-13930
Entlüftungsventil
24
16-100251-32430
Gummipuffer
25
16-100917-32430
Gummipuffer
26
16-900238-05014
Schraube 5x14
27
16-900162-05035
Schraube CLS-5010/CS-5501/SRM-
28
16-900162-05020
Schraube M5x20 PB-6000/-46LN/-
29
16-100142-30830
Polradkeil
30
16-A011-000292
Kurbelwelle CSG-680
Report Error
Help us to improve this site. Notify us if something is wrong here.