.com
Home
Contact
About
Guestbook
Shipping Costs
Terms and Privacy
SPAREPARTS
Search by Part Number
Diagrams & Parts Lists
Gardening & Forestry
Industry & Shop
Chainsaw Chains
Guide Bars
Sprocket Rims
CATALOG
Mowing, trimming
Engine parts
Workshop
Components
Forestry
Electrical items
Winter items
V-belts / Pulleys
Filters
Toys
Agricultural Parts
Topseller
SERVICE
We search for You
Determine Chain
Your Account
Log in
Register
Settings
DE
EN
FR
ES
IT
PC Version
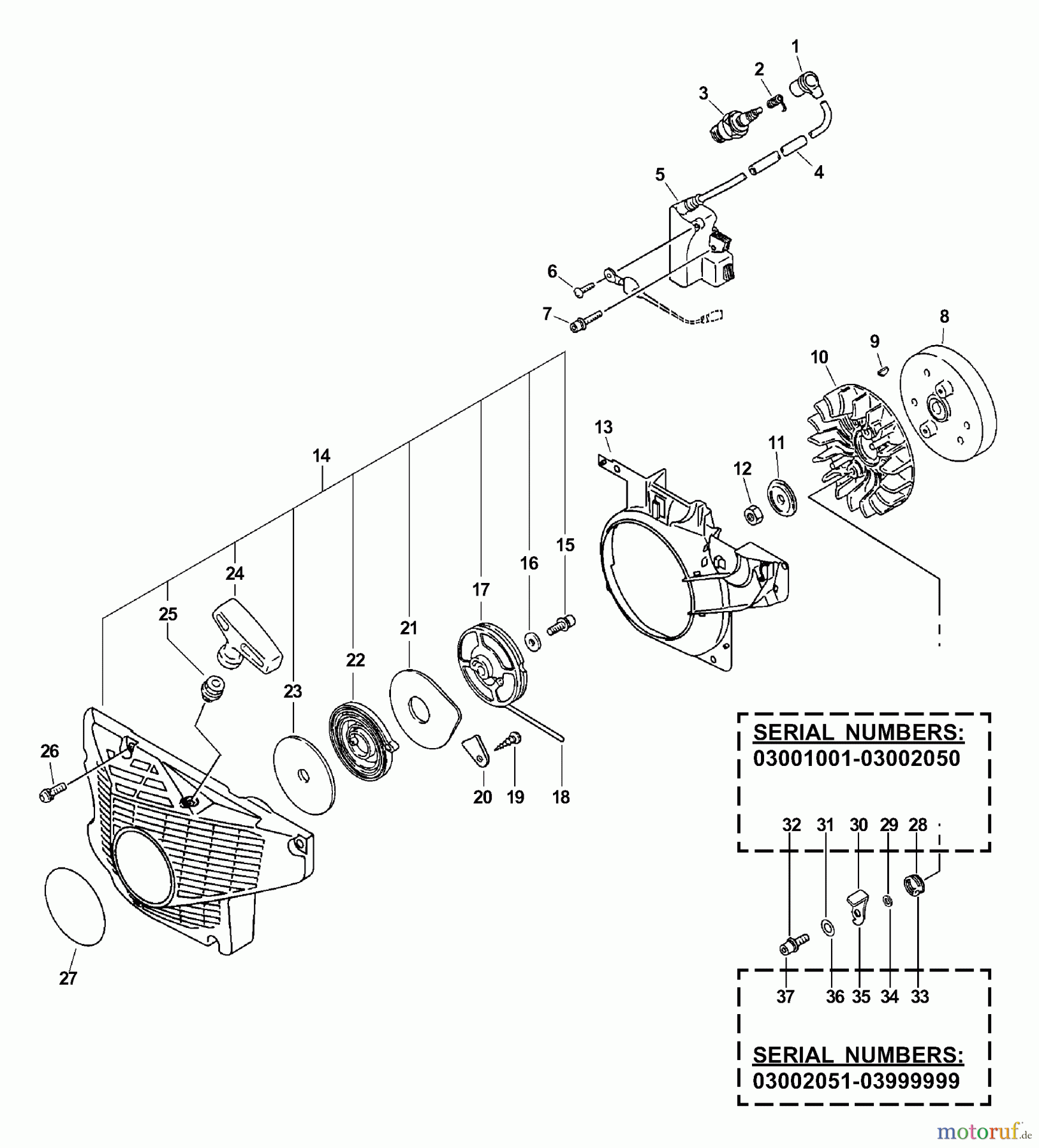
Echo CSG-680 - Cut-Off Saw, S/N: 03001001 - 03999999 Ignition, Starter Spareparts
Start
Echo
Trennsägen
CSG-680 - Echo Cut-Off Saw, S/N: 03001001 - 03999999
Ignition, Starter
Ignition, Starter CSG-680 - Echo Cut-Off Saw, S/N: 03001001 - 03999999
Pos
Article Number
Description
1
16-159012-03433
Zündkerzenkappe, Gummi PPT-
2
16-159011-03432
Kontaktfeder CS-2600/4200/PB-
3
1699944500071
4
16-156611-19830
Schutzhülle
5
16-156601-32632
Elektronikmodul CS-6702, CSG-
6
16-900242-04008
Schraube
7
16-900162-04020
Schraube SHR-170SI, T-226
8
16-156800-32631
Polrad CS-6701, CS-8000, CSG-
9
16-100142-30830
Polradkeil
10
16-101521-32330
Lüfterrad CSG-680, CSG-6700,
11
16-100143-19830
Scheibe PB-250
12
16-900500-00008
Mutter 8
13
16-A172-000130
Abdeckung Lüfterrad CS-6702,
14
16P021004210
15
16-900162-05014
Schraube M 5x14
16
16-900603-00005
Scheibe(Eisen) CS-2600/PB-250/
17
16-177215-07060
Seiltrommel
18
16-177226-06060
Starterseil CSG-6700
19
16-900253-04008
Schraube(Eisen) M4x8
20
16-433144-15130
Halteblech
21
16-177221-07060
Starterplatte CS-6701/6700,
22
16-177220-02834
Starterfeder CS-8000/8001
23
16-177221-02830
Platte
24
16-177228-30830
Startergriff
25
16-177227-07060
Seilführung CS-6702/8001, PB-
26
16-900162-05020
Schraube M5x20 PB-6000/-46LN/-
27
16-890118-17930
Aufkleber, ECHO PB-6000 ab S.-
28
16-177234-19832
Feder CS-680
29
16-177247-07060
Hülse CSG-6700
30
16P021009870
31
16-900603-00005
Scheibe(Eisen) CS-2600/PB-250/
32
16-900162-05014
Schraube M 5x14
33
16-177234-19832
Feder CS-680
34
16-V353-000201
Stellring PB-6000
35
16-177218-32631
Starterklinke CS-6701/6702,
36
16-900603-00005
Scheibe(Eisen) CS-2600/PB-250/
37
16-900162-05020
Schraube M5x20 PB-6000/-46LN/-
Report Error
Help us to improve this site. Notify us if something is wrong here.