.com
Home
Contact
About
Guestbook
Shipping Costs
Terms and Privacy
SPAREPARTS
Search by Part Number
Diagrams & Parts Lists
Gardening & Forestry
Industry & Shop
Chainsaw Chains
Guide Bars
Sprocket Rims
CATALOG
Mowing, trimming
Engine parts
Workshop
Components
Forestry
Electrical items
Winter items
V-belts / Pulleys
Filters
Toys
Agricultural Parts
Topseller
SERVICE
We search for You
Determine Chain
Your Account
Log in
Register
Settings
DE
EN
FR
ES
IT
PC Version
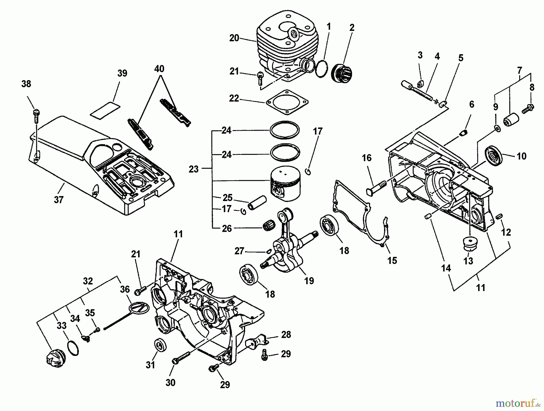
Echo QV-6700 Engine, Crankcase, Cylinder, Piston Spareparts
Start
Echo
Rettungssäge
QV-6700
Engine, Crankcase, Cylinder, Piston
Engine, Crankcase, Cylinder, Piston QV-6700
Pos
Article Number
Description
1
16-130516-30830
Band
2
16-130510-32430
Einlasstutzen CSG-6700, CS-
3
16-433028-11030
Clip CS-4010/4601/8001
4
16-433016-11031
Kettenspannschraube
5
16-433014-02830
Kettenspanner CS-6701/8000/
6
16-436114-13930
Entlüftungsventil
7
16-433000-19831
Kettenfangbolzen
8
16-900220-05018
Schraube
9
16-900600-00005
Scheibe PB-500/452GS/DH2200ST
10
16-100212-32430
Simmerring CS-4500/-6701, CSG-
11
1610020438133
12
16-900345-50010
Spannstift
13
16-100251-32430
Gummipuffer
14
16-100215-02830
Bolzen Produktion eingestellt
15
16-100242-32430
Dichtung CS-5501, CSG-680, CS-
16
16-433011-19831
Schraube
17
16-100015-00230
Sicherungsring
18
16-900810-36202
Kugellager PB-500/EA-410/EC-
19
16-100100-32430
Kurbelwelle
20
16-101001-32431
Zylinder CS-6701
21
16-900162-05020
Schraube M5x20 PB-6000/-46LN/-
22
16-101010-32431
Dichtung, Papier
23
16-100000-32432
Kolben kpl. CS-6701, CSG-6700
24
16-100011-32431
Kolbenring CS-6701, 6702
25
16-100013-32430
Kolbenbolzen CSG-6700, CS-
26
16-100012-32430
Nadellager CS-6701, CSG-6700,
27
16-100142-30830
Polradkeil
28
16-100917-32430
Gummipuffer
29
16-900238-05014
Schraube 5x14
30
16-900162-05035
Schraube CLS-5010/CS-5501/SRM-
31
16-100212-19830
Simmerring CS-4500, CS-6701,
32
16-436001-37933
Öltankdeckel CS-6702
33
16-900725-02025
O-Ring CS-3500, CS-3700ES
34
16-131050-19830
Halter
35
16-900246-03008
Schraube
36
16-A365-000050
Halter, Tankdeckel CS-3700ES/-
37
1610150638134
38
16-900238-05020
Schraube 5x20
39
1699999999999
40
1613081132330
Report Error
Help us to improve this site. Notify us if something is wrong here.