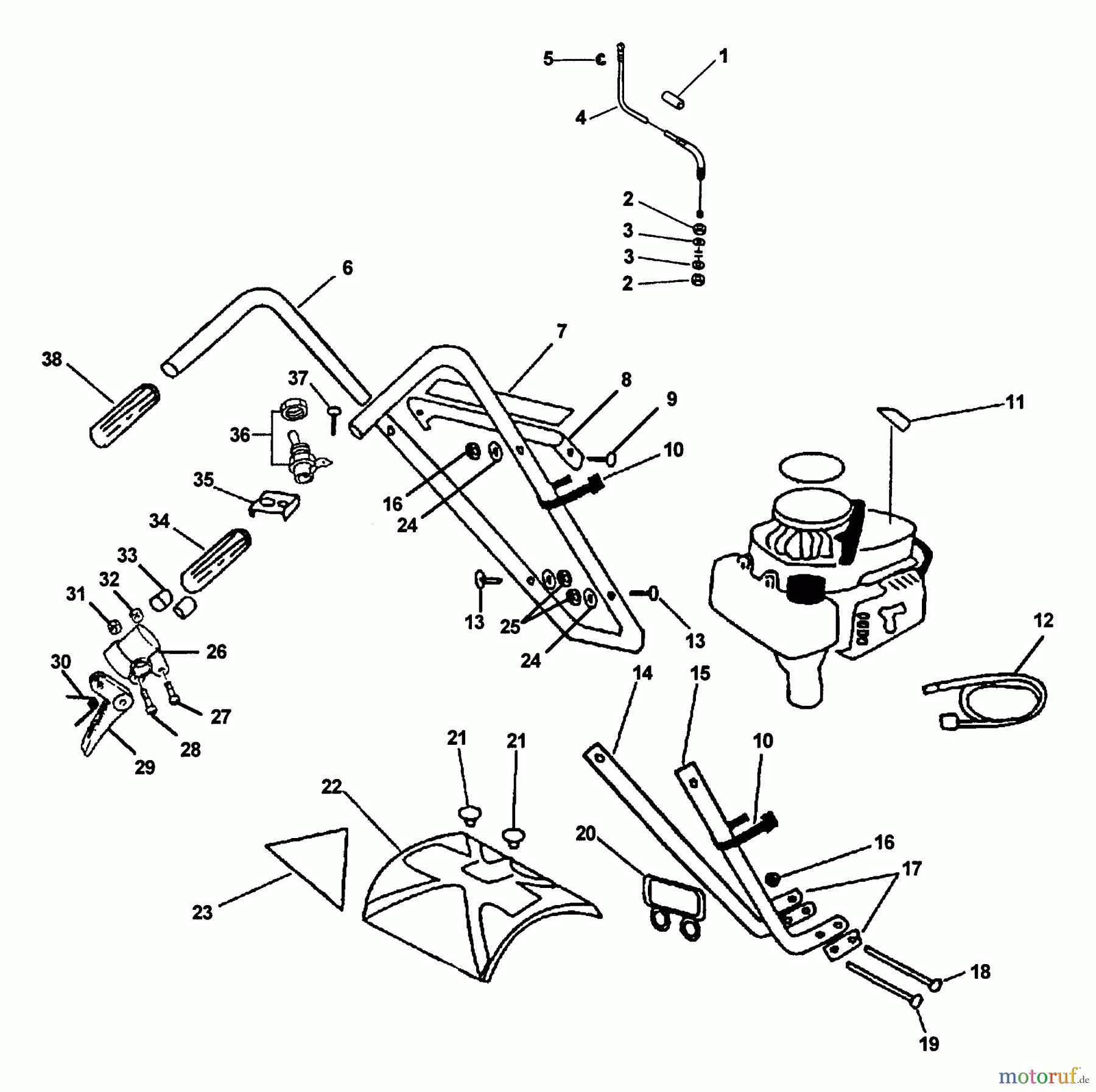
Echo TC-2100 - Tiller/Cultivator, S/N: 001001 - 999999 (Type 1) Handles, Shield, Throttle, Stop Switch Spareparts
Handles, Shield, Throttle, Stop Switch TC-2100 - Echo Tiller/Cultivator, S/N: 001001 - 999999 (Type 1)



Report Error
Help us to improve this site. Notify us if something is wrong here.

