.com
Shopping Basket
empty
Your Account
Log in
Register
Home
Contact
About
Guestbook
Shipping Costs
Terms and Privacy
SPAREPARTS
Search by Part Number
Diagrams & Parts Lists
Gardening & Forestry
Industry & Shop
Chainsaw Chains
Guide Bars
Sprocket Rims
CATALOG
Mowing, trimming
Engine parts
Workshop
Components
Forestry
Electrical items
Winter items
V-belts / Pulleys
Filters
Toys
Agricultural Parts
Topseller
SERVICE
We search for You
Determine Chain
DE
EN
FR
ES
IT
Mobile
Echo GT-231 - String Trimmer, S/N:02001001 - 02999999 Engine, Short Block, Ignition, Cylinder Cover Spareparts
Start
Echo
Trimmer, Faden / Bürste
GT-231 - Echo String Trimmer, S/N:02001001 - 02999999
Engine, Short Block, Ignition, Cylinder Cover
Engine, Short Block, Ignition, Cylinder Cover GT-231 - Echo String Trimmer, S/N:02001001 - 02999999
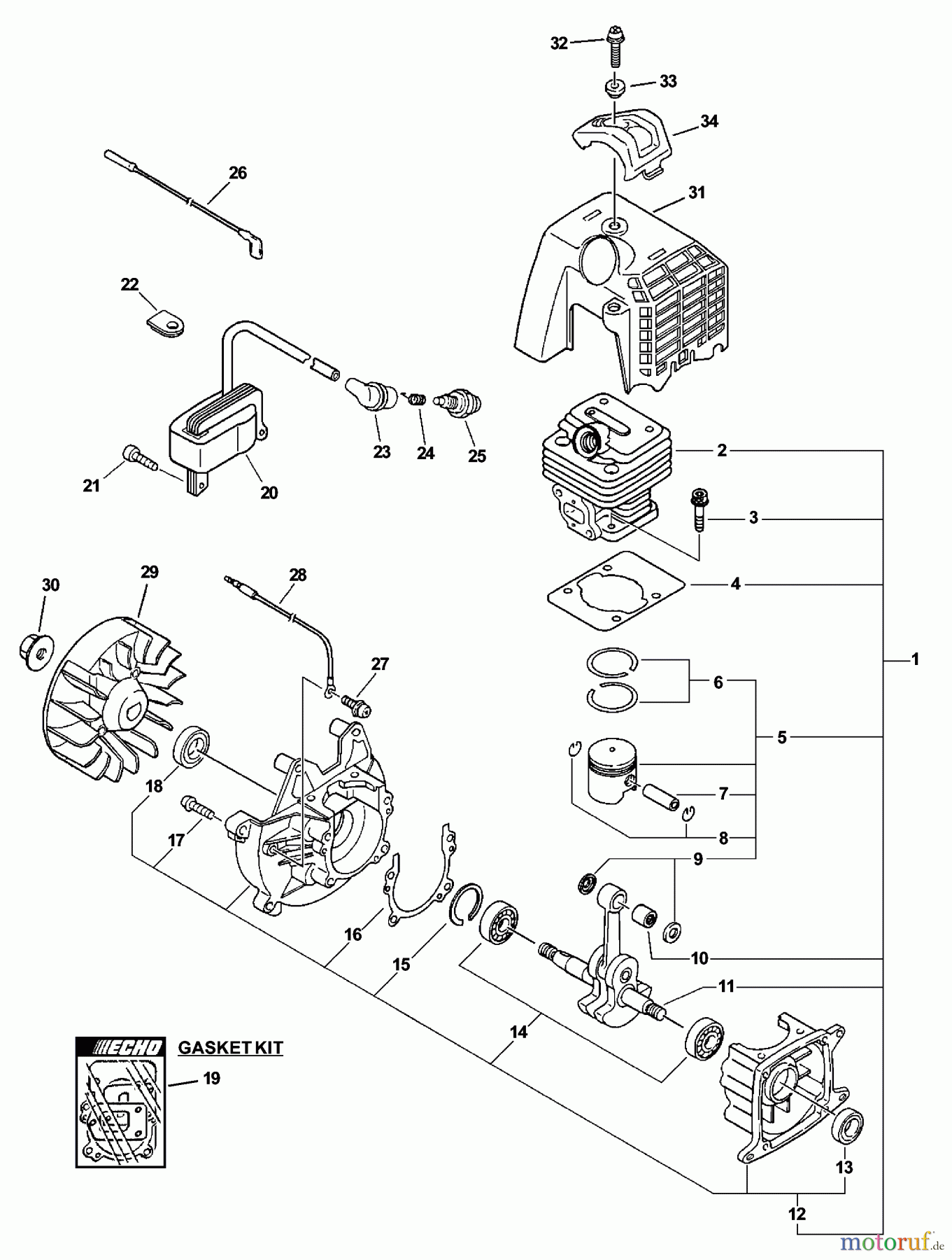
Pos
Article Number
Description
1
16SB1045
2
16A130000075
3
16-900162-05022
Schraube CS-3500,-3501,SRM-
4
16-V100-000010
Dichtung, Zylinder PB-260L
5
16P021000930
6
16-A101-000000
Kolbenring GT-2150, EDR-2100
7
16-100013-11520
Kolbenbolzen SHR-170SI/T-226
8
16-100015-04630
Sicherungsring(Eisen) CS-2600/
9
16-100014-11520
Distanzring(Eisen) SHR-170Si/
10
16-A011-000042
Kurbelwelle SRM-240ES
11
16-V553-000010
Nadellager CS-2600
12
16-P021-000941
Kurbelgehäuse PB-260L
13
16-100213-05530
Simmerring SRM-320/350/RM-
14
16-900800-36001
Kugellager,NSK (Nipppon
15
16-900702-00028
Seegerring, innen, 28mm
16
16-100242-55930
Dichtung, Kurbelgehäuse SRM-
17
16-900162-05025
Schraube 5x25 CS-5100/PB-46LN/
18
16-100212-28230
Simmerring ISCD 12x28x7 PB-
19
16P021001522
20
16-A411-000010
Zündspule PB-260L
21
16-900162-05016
Schraube 5x16 (10) PB-260L,
22
16-156112-40630
Dichtring/T-226
23
16-159012-03433
Zündkerzenkappe, Gummi PPT-
24
16-159011-03432
Kontaktfeder CS-2600/4200/PB-
25
1699944500071
26
16-162010-56430
Massekabel SRM-2655
27
16-900242-05010
Schraube PPT-300ES
28
16-162014-52930
Massekabel SRM-2655
29
16-A409-000020
Polrad PB-260L
30
16-900515-00008
Mutter CS-2600/SHR-170SI/PPT-
31
16A160000041
32
169111005016
33
16-V353-000020
Buchse SRM-265/EA-410
34
16-A162-000000
Abdeckung, Zündkerze SRM-240ES
Report Error
Help us to improve this site. Notify us if something is wrong here.