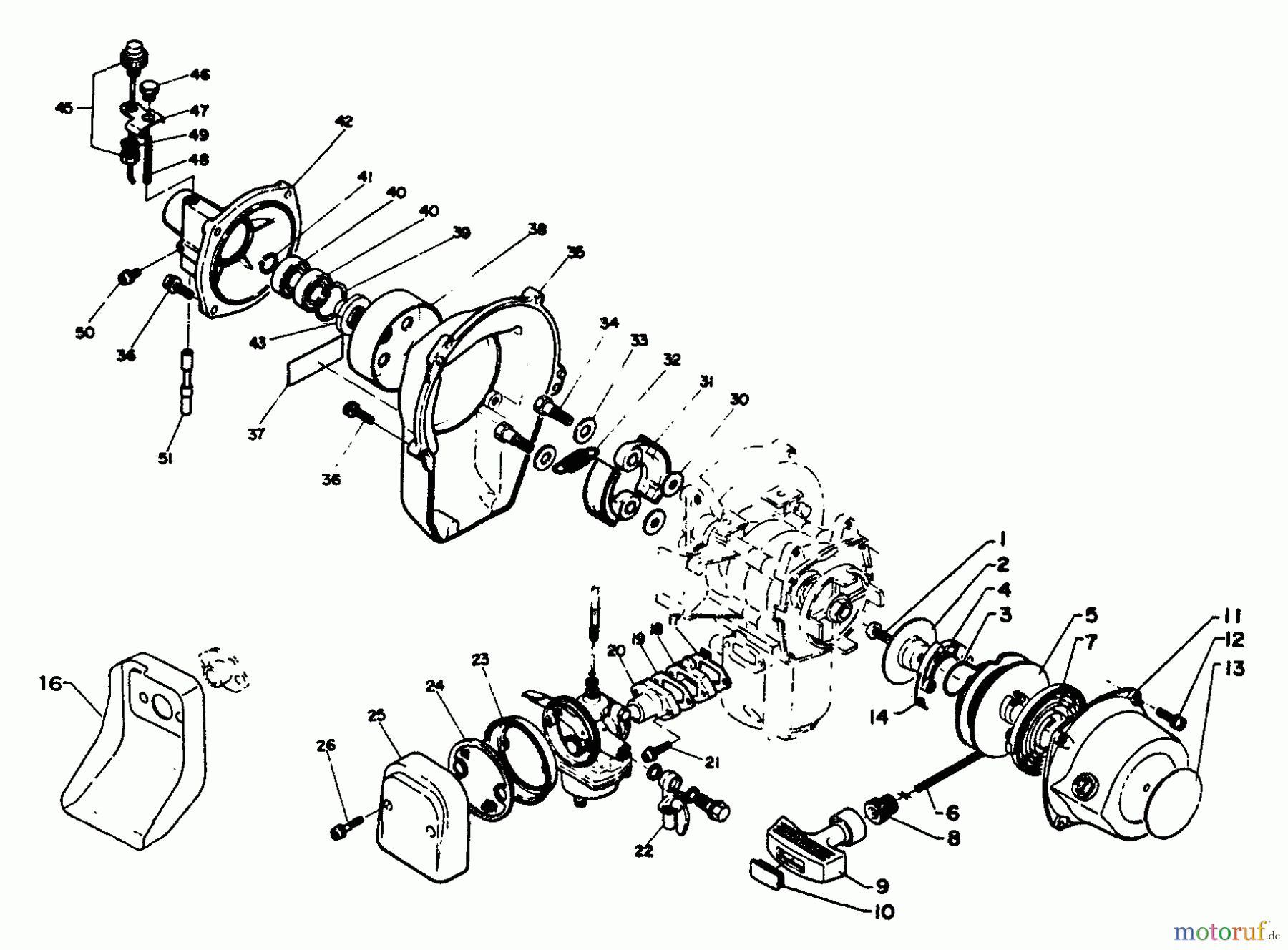
Echo RM-303E - String Trimmer Clutch, Exhaust, Fan Case, Intake, Ignition Switch, Starter Spareparts
Clutch, Exhaust, Fan Case, Intake, Ignition Switch, Starter RM-303E - Echo String Trimmer



Report Error
Help us to improve this site. Notify us if something is wrong here.

