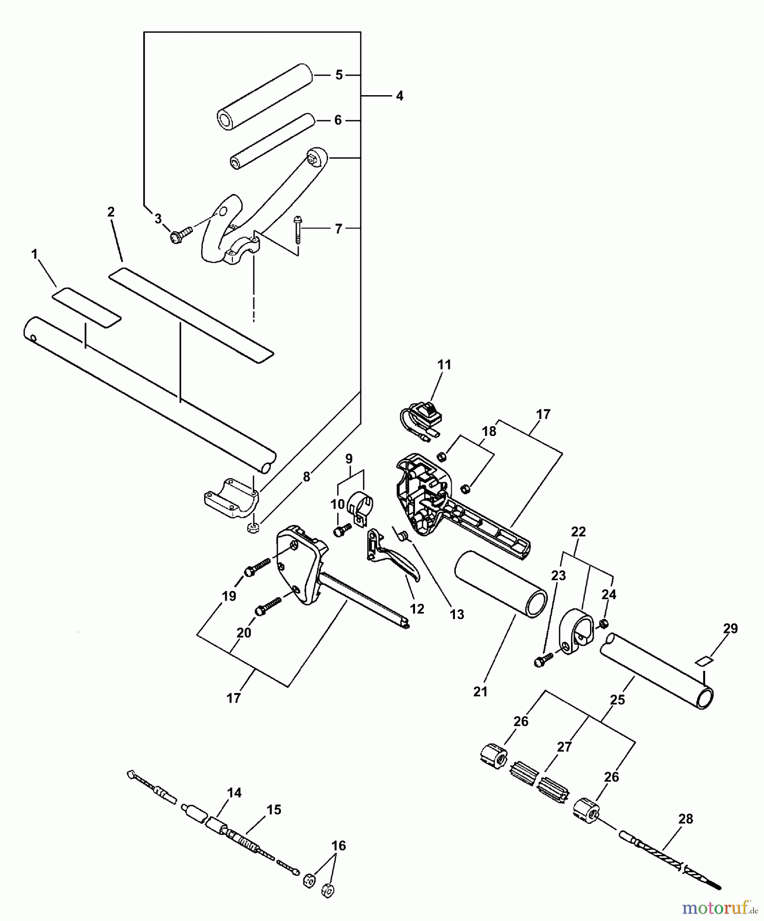
Echo SRM-2100 - String Trimmer, S/N:159491 - 999999 (Type 1) Handle, Ignition Switch, Throttle Cable, Driveshaft Spareparts
Handle, Ignition Switch, Throttle Cable, Driveshaft SRM-2100 - Echo String Trimmer, S/N:159491 - 999999 (Type 1)



Report Error
Help us to improve this site. Notify us if something is wrong here.


