.com
Shopping Basket
empty
Your Account
Log in
Register
Home
Contact
About
Guestbook
Shipping Costs
Terms and Privacy
SPAREPARTS
Search by Part Number
Diagrams & Parts Lists
Gardening & Forestry
Industry & Shop
Chainsaw Chains
Guide Bars
Sprocket Rims
CATALOG
Mowing, trimming
Engine parts
Workshop
Components
Forestry
Electrical items
Winter items
V-belts / Pulleys
Filters
Toys
Agricultural Parts
Topseller
SERVICE
We search for You
Determine Chain
DE
EN
FR
ES
IT
Mobile
Echo SRM-2510 - String Trimmer, S/N:061969 - 079351 Fuel System Spareparts
Start
Echo
Trimmer, Faden / Bürste
SRM-2510 - Echo String Trimmer, S/N:061969 - 079351
Fuel System
Fuel System SRM-2510 - Echo String Trimmer, S/N:061969 - 079351
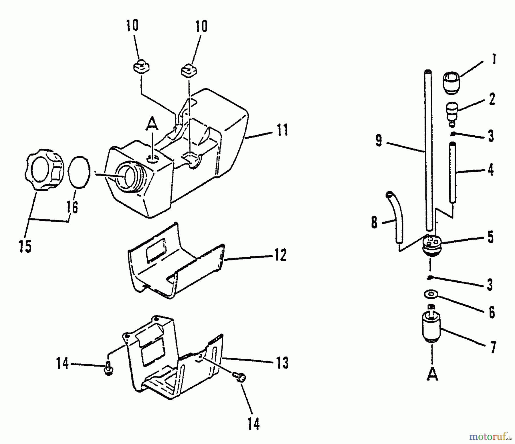
Pos
Article Number
Description
1
16-131328-40630
Entlüftungsventilsitz CS-3700,
2
16-131300-56430
Entlüftungsventil CS-3500-1/
3
16-130111-00530
Klipp (10) CS-6702, SRM-2010
4
16-132010-51230
Benzinleitung(Gummi)
5
16-132115-46730
Dichtring HC-1500/HCR-1500/
6
16-900603-00005
Scheibe(Eisen) CS-2600/PB-250/
7
16-131205-14930
Filter SHR-4100
8
16-132010-56330
Überlaufleitung 9cm CS/ES/GT/
9
16-V471-001190
Benzinleitung (Gummi) SRM-
10
16-131925-22330
Gummilager
11
1613101041930
12
1699999999999
13
1630511040930
14
16-900238-05010
Schraube M5x10
15
16-131004-55830
Tankdeckel HC-1500, HC-2400,
16
16-131016-40930
Dichtung ES-2000, HC-2100,
Report Error
Help us to improve this site. Notify us if something is wrong here.