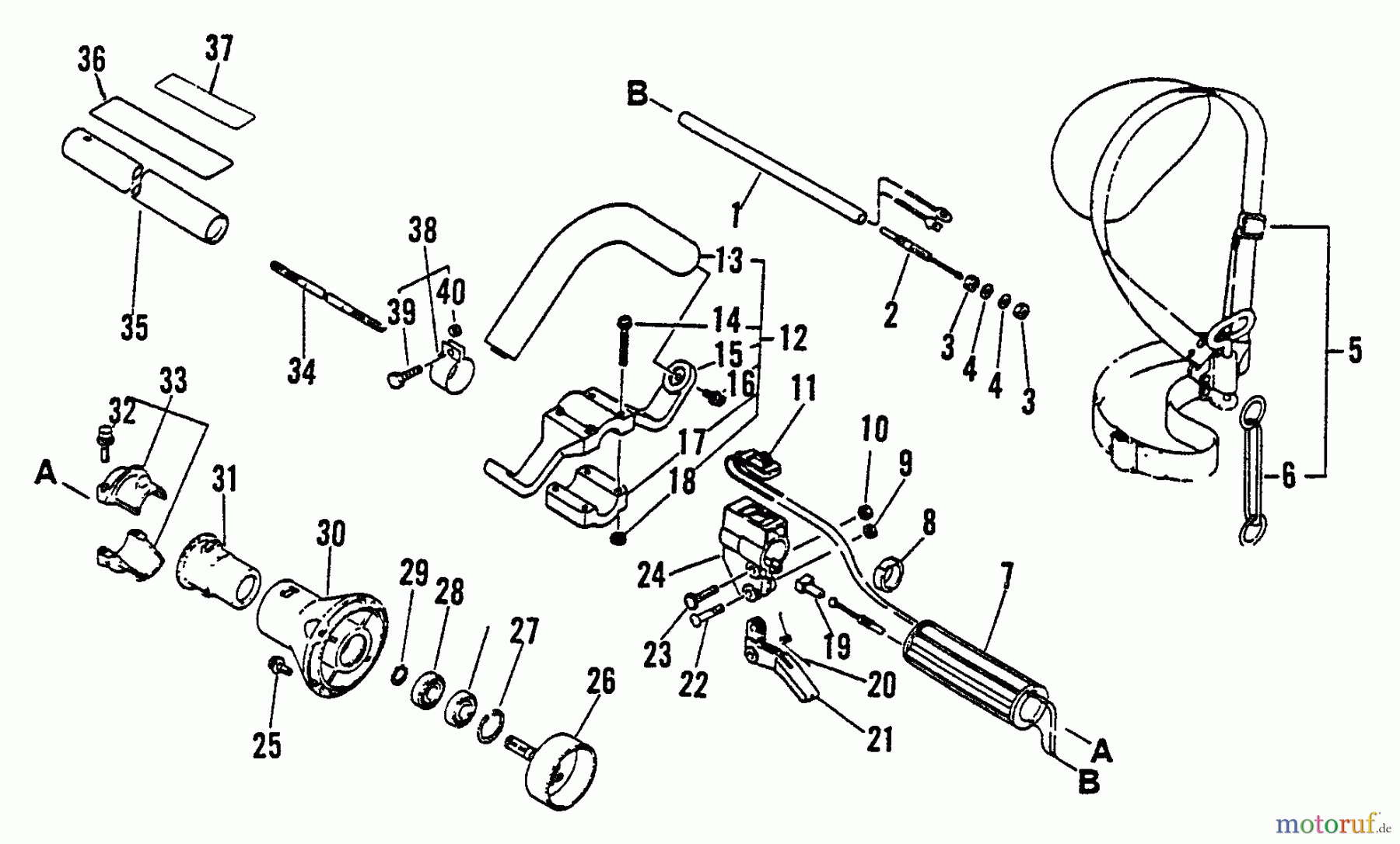
Echo SRM-3000 - String Trimmer, S/N:034001 - 037500 Driveshaft,Throttle,Stop Switch,Handles,Clutch Housing,Harness Spareparts
Driveshaft,Throttle,Stop Switch,Handles,Clutch Housing,Harness SRM-3000 - Echo String Trimmer, S/N:034001 - 037500



Report Error
Help us to improve this site. Notify us if something is wrong here.

