.com
Shopping Basket
empty
Your Account
Log in
Register
Home
Contact
About
Guestbook
Shipping Costs
Terms and Privacy
SPAREPARTS
Search by Part Number
Diagrams & Parts Lists
Gardening & Forestry
Industry & Shop
Chainsaw Chains
Guide Bars
Sprocket Rims
CATALOG
Mowing, trimming
Engine parts
Workshop
Components
Forestry
Electrical items
Winter items
V-belts / Pulleys
Filters
Toys
Agricultural Parts
Topseller
SERVICE
We search for You
Determine Chain
DE
EN
FR
ES
IT
Mobile
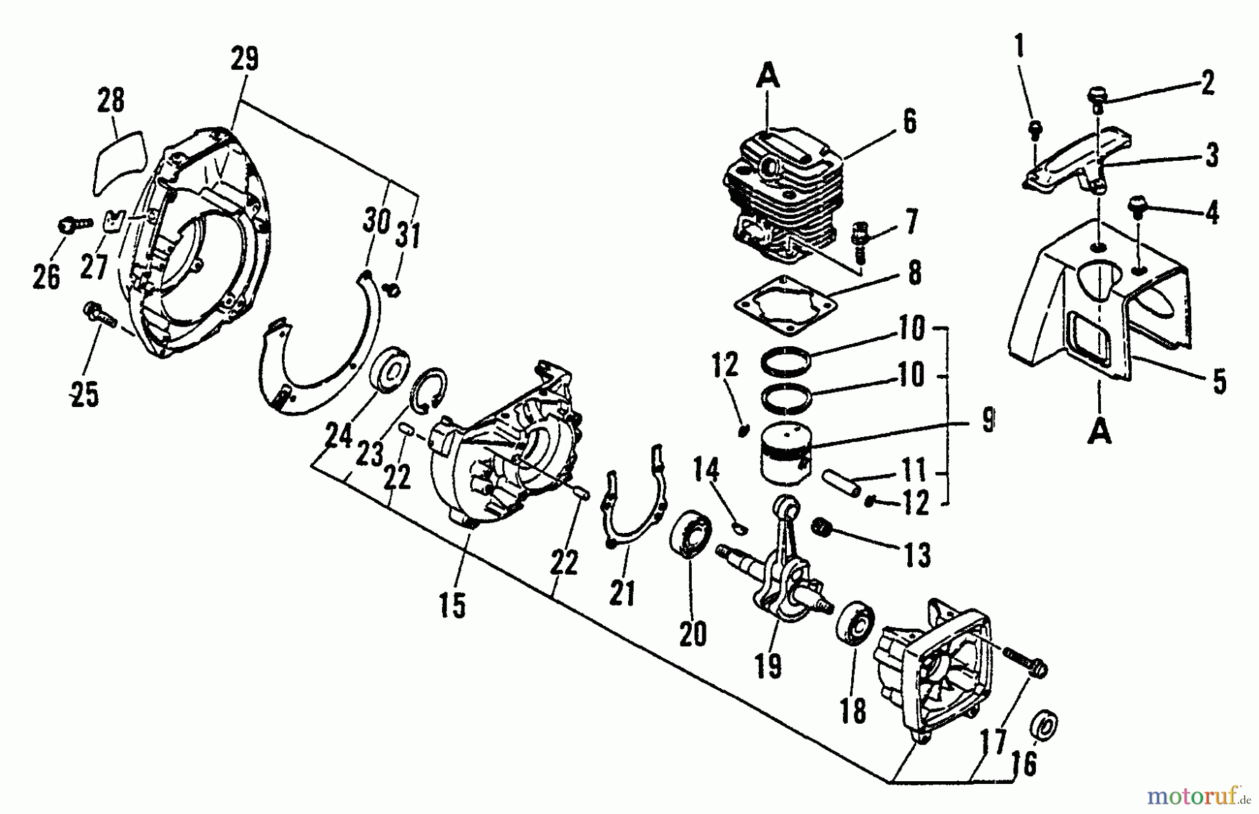
Echo SRM-3000 - String Trimmer, S/N:034001 - 037500 Engine, Crankcase, Fan Housing, Cover Spareparts
Start
Echo
Trimmer, Faden / Bürste
SRM-3000 - Echo String Trimmer, S/N:034001 - 037500
Engine, Crankcase, Fan Housing, Cover
Engine, Crankcase, Fan Housing, Cover SRM-3000 - Echo String Trimmer, S/N:034001 - 037500
Pos
Article Number
Description
1
16-900238-04014
Schraube 4x14
2
16-900238-05016
Schraube 5*16
3
1699999999999
4
16-900238-05010
Schraube M5x10
5
1610151449730
6
16-101011-27530
Zylinder SRM 310
7
16-900162-05020
Schraube M5x20 PB-6000/-46LN/-
8
16-101010-21230
Fussdichtung(Papier)
9
16-100000-27431
Kolben kpl. SRM-310 + Rm-310
10
16-100011-16131
Kolbenring SRM-320
11
16-100013-27430
Kolbenbolzen SRM-320, SRM-350
12
16-100015-03931
Sicherungsring
13
16-100012-16131
Nadellager SRM-320/SRM-350/
14
16-100142-00310
Polradkeil
15
1610020427430
16
16-100213-05530
Simmerring SRM-320/350/RM-
17
16-900238-05030
Schraube 5x30
18
16-94035-36201
Kugellager EA-410/SHR-170SI
19
16-100100-21230
ZSB-Kurbelwelle SRM-310
20
16-900810-36202
Kugellager PB-500/EA-410/EC-
21
16
16
22
16-100215-02830
Bolzen Produktion eingestellt
23
16-900702-00035
Seegerring, innen, 35mm
24
16-100212-05730
Simmerring
25
16-900238-05025
Schraube 5x25
26
16-900238-04010
Schraube M4 x 10 ES-2400,PB-
27
1617812151330
28
1689011541030
29
1610150351830
30
16-101534-21230
Schutzplatte
31
16-900238-04008
Schraube
1688900051830
Report Error
Help us to improve this site. Notify us if something is wrong here.