.com
Home
Contact
About
Guestbook
Shipping Costs
Terms and Privacy
SPAREPARTS
Search by Part Number
Diagrams & Parts Lists
Gardening & Forestry
Industry & Shop
Chainsaw Chains
Guide Bars
Sprocket Rims
CATALOG
Mowing, trimming
Engine parts
Workshop
Components
Forestry
Electrical items
Winter items
V-belts / Pulleys
Filters
Toys
Agricultural Parts
Topseller
SERVICE
We search for You
Determine Chain
Your Account
Log in
Register
Settings
DE
EN
FR
ES
IT
PC Version
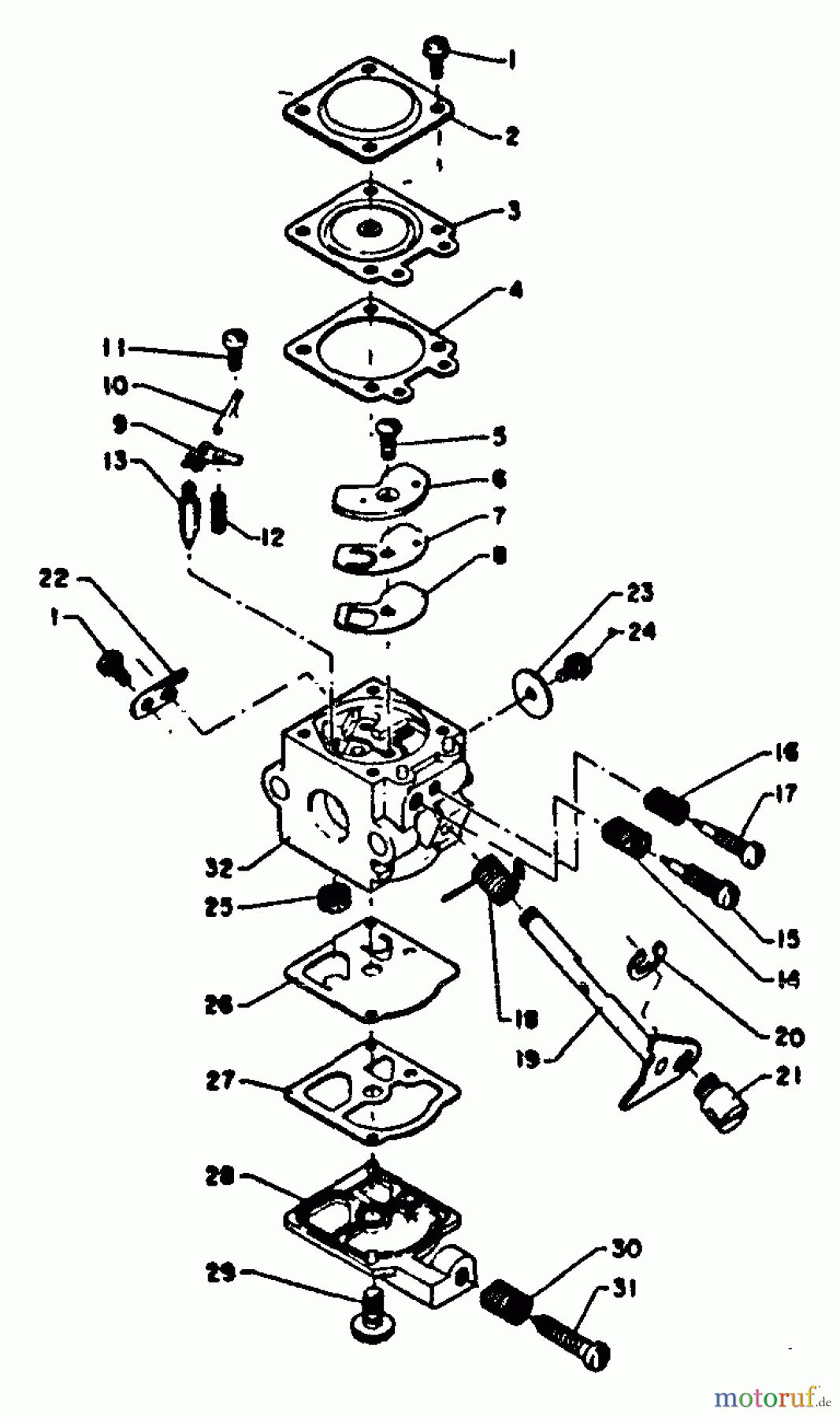
Echo SRM-300E1 - String Trimmer Carburetor Spareparts
Start
Echo
Trimmer, Faden / Bürste
SRM-300E1 - Echo String Trimmer
Carburetor
Carburetor SRM-300E1 - Echo String Trimmer
Pos
Article Number
Description
16-123000-06720
Vergaser
1
16-123144-03930
Schraube
2
16-123142-03930
Deckel CS-2600/3700/SRM-320/
3
16-123141-03930
Membrane CS-2600,3500,3700/HC-
4
16-123140-03930
Dichtung CS-3700, GT-2150
5
16-123167-05230
Schraube Produktion
6
1699999999999
7
16-123165-03930
Membrane
8
16-123164-03930
Dichtung(Papier)
9
16-123123-38330
Ventilhebel CS-3700/4200/
10
16-123138-03930
Stift, Ventilhalter, Vergaser
11
16-123139-03930
Schraube CS-2600/3700/452GS/
12
16-123122-03930
Feder CS-3450, CSG-6700, SRM-
13
16-123137-03930
Einlassventil
14
16-123119-03930
Feder,PB-210E,PB-300E,PB-400E
15
16-123120-06720
Einstellschraube
16
16-123121-03930
Feder
17
16-123118-06520
Einstellschraube Produktion
18
16-123113-09660
Feder
19
16-123117-05020
Gasgestänge
20
16-123127-10630
Haltefeder
21
16-123172-04320
Nippel
22
16-123127-03930
Klipp CS-3700
23
16-123116-03930
Drosselklappe CS-350/350T
24
16-123114-03930
Schraube
25
16-123126-10631
Sieb, Vergaser, Einlass PPT-
26
16-123112-03930
Membrane SRM-200AE
27
16-123125-03930
Dichtung, PB-400E
28
16-123124-11130
Deckel Produktion eingestellt
29
16-123110-03930
Schraube CS-2600/3700/452GS/
30
16-123133-11130
Feder
31
16-123134-06530
Einstellschraube, PB-400E
32
16
16
Report Error
Help us to improve this site. Notify us if something is wrong here.