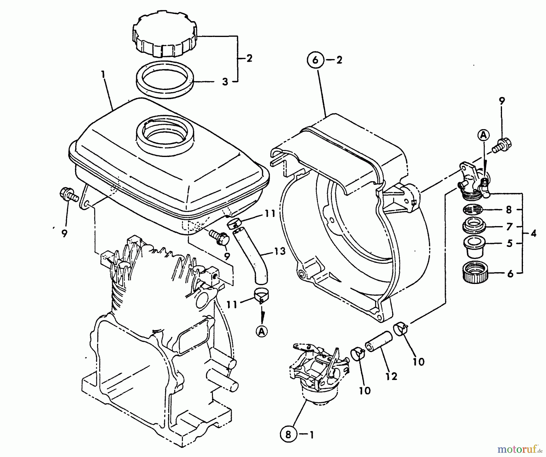
Echo WP-1500 - Water Pump, S/N: 00000 - 02431 Fuel System Spareparts
Fuel System WP-1500 - Echo Water Pump, S/N: 00000 - 02431

| Pos | Article Number | Description | |
| 1 | 1699999999999 | ||
| 2 | 16Y16071055060 | ||
| 3 | 16Y16039355050 | ||
| 4 | 16Y16066455300 | ||
| 5 | 16Y16061055390 | ||
| 6 | 16Y16071055360 | ||
| 7 | 16Y16071055370 | ||
| 8 | 16Y16071055380 | ||
| 9 | 16Y26476060142 | ||
| 10 | 16Y12472259050 | ||
| 11 | 16Y10699044660 | ||
| 12 | 16Y16061059160 | ||
| 13 | 16Y16066459350 | ||



