.com
Shopping Basket
empty
Your Account
Log in
Register
Home
Contact
About
Guestbook
Shipping Costs
Terms and Privacy
SPAREPARTS
Search by Part Number
Diagrams & Parts Lists
Gardening & Forestry
Industry & Shop
Chainsaw Chains
Guide Bars
Sprocket Rims
CATALOG
Mowing, trimming
Engine parts
Workshop
Components
Forestry
Electrical items
Winter items
V-belts / Pulleys
Filters
Toys
Agricultural Parts
Topseller
SERVICE
We search for You
Determine Chain
DE
EN
FR
ES
IT
Mobile
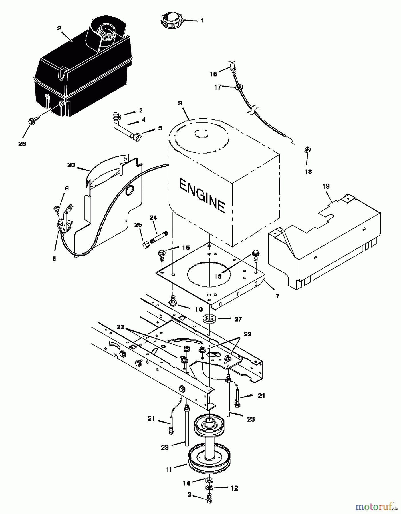
Murray 46567x6A - Ultra 46" Lawn Tractor (1997) Engine Mount Spareparts
Start
Murray
Rasen- und Gartentraktoren
46567x6A - Murray Ultra 46" Lawn Tractor (1997)
Engine Mount
Engine Mount 46567x6A - Murray Ultra 46" Lawn Tractor (1997)
Pos
Article Number
Description
1
BS092317MA
BENZINDECKEL
2
BS7601093MA
FUEL KIT 2.8
3
BS091174
4
BS023717
5
BS091174
6
BS26X201MA
SCREW Z/BL CHROMATE
7
BS094006E701MA
PLATE, ENGINE
8
BS093165MA
THROTTLE CONTROL
9
BS
Eingangswelle UE 600
10
BS0025X7MA
MOTORBOLZEN 3/8 X 1.25
11
BS690441MA
02 STK PULLEY
12
BS019X35MA
WASHER.43-0.74 X.04 S
13
BS01X140MA
SECHSKANTBOLZEN.43-20X1.50 Z
14
BS17X170MA
WASHER.46.97.25 FLAT
15
BS26X249MA
SCREW-.312-18X.75
16
BS776113MA
CHOKEREGELUNG W/ATT.
17
BS0019X8MA
STERNUNTERLEGSCHEIBE .38 0.68X
18
BS015X33MA
NUT .38-24 LIGHT SF Z
19
BS93188E701
20
BS093078E701
21
BS93349 Z
22
BS015X79MA
NUT.31-18 FLANGELOCK
23
BS091797ZMA
RIEMENFUHRUNGSSTANGE
24
BS092279MA
OLABLASSROHR
25
BS021651ZMA
PIPE CAP
26
BS26X253MA
SCREW-THREAD FORMING
27
BS093077MA
SPACER -ENGINE
Report Error
Help us to improve this site. Notify us if something is wrong here.