.com
Home
Contact
About
Guestbook
Shipping Costs
Terms and Privacy
SPAREPARTS
Search by Part Number
Diagrams & Parts Lists
Gardening & Forestry
Industry & Shop
Chainsaw Chains
Guide Bars
Sprocket Rims
CATALOG
Mowing, trimming
Engine parts
Workshop
Components
Forestry
Electrical items
Winter items
V-belts / Pulleys
Filters
Toys
Agricultural Parts
Topseller
SERVICE
We search for You
Determine Chain
Your Account
Log in
Register
Settings
DE
EN
FR
ES
IT
PC Version
Murray 309003x99NA - B&S/ 30" Mid-Engine Rider (2004) (AAFES) Spareparts
Start
Murray
Reitermäher
309003x99NA - B&S/Murray 30" Mid-Engine Rider (2004) (AAFES)
309003x99NA - B&S/Murray 30" Mid-Engine Rider (2004) (AAFES) Reitermäher
Category:
−
Chassis & Hood
Decals
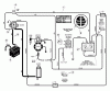
Electrical System
Motion Drive
Mower Housing
Mower Housing Suspension
Steering
Report Error
Help us to improve this site. Notify us if something is wrong here.