.com
Shopping Basket
empty
Your Account
Log in
Register
Home
Contact
About
Guestbook
Shipping Costs
Terms and Privacy
SPAREPARTS
Search by Part Number
Diagrams & Parts Lists
Gardening & Forestry
Industry & Shop
Chainsaw Chains
Guide Bars
Sprocket Rims
CATALOG
Mowing, trimming
Engine parts
Workshop
Components
Forestry
Electrical items
Winter items
V-belts / Pulleys
Filters
Toys
Agricultural Parts
Topseller
SERVICE
We search for You
Determine Chain
DE
EN
FR
ES
IT
Mobile
Snapper 7060947 - Bag N-Wagon, 30 Bushel 421620BVE 42" 16 HP Rear Engine Rider Series 20 Cutting Decks, Deflectors Spareparts
Start
Snapper
Zubehör. Rasenmäher
7060947 - Snapper Bag N-Wagon, 30 Bushel
421620BVE 42" 16 HP Rear Engine Rider Series 20
Cutting Decks, Deflectors
Cutting Decks, Deflectors 421620BVE 42" 16 HP Rear Engine Rider Series 20
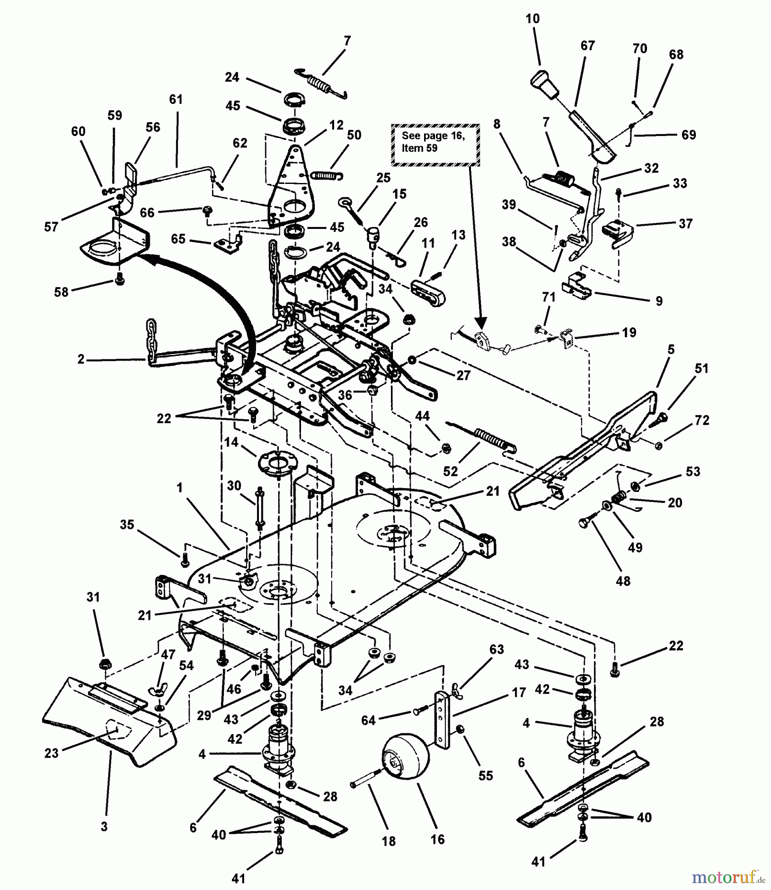
Pos
Article Number
Description
1
BS7063040YP
42" RER REPLACEMENT D
2
BS
Eingangswelle UE 600
3
BS7051401YP
CHUTE / DECAL ASSY, 4
4
BS7059628BMYP
SPINDLE ASSEMBLY 41"
5
BS7073267YP
FU?PEDAL, ABS
6
BS7026691BZYP
BLADE, 21" STD.LIFT
7
BS7014168YP
FEDER, GRIFF
8
BS7012055YP
STANGE
9
BS7038021YP
MOUNTAGE HALTEGR./SCHLO?
10
BS7046874YP
GRIP, HANDLE
11
BS7023658YP
LEVER, HANDLE, HEIGHT
12
BS7034758YP
ARM, IDLER
13
BS2816169SM
PIN, SPRING, .188 X 0
14
BS7053034YP
SPINDLE RING ASSY.
15
BS7028200SM
SICHERUNGSSTIFT
16
BS1700184SM
RAD - 2.60 BREIT 4.9
17
BS7035835SM
POST, ANTI-SCALP, YEL
18
BS7029265SM
SCHRAUBBOLZEN, 3/8-16X3
19
BS7073217YP
KABELCLIP
20
BS7015448YP
FEDER, PEDAL
21
BS7014852YP
DECAL, CAUTION
22
BS7090606SM
HFLB, 5/16C X5/8 ZP
23
BS7013010SM
DECAL-DANGER, CUT FIN
24
BS7010740YP
SICHERUNGSRING
25
BS7029244YP
EYE BOLT, 5/16-18 X 3
26
BS703300
PIN, 3/32 X 1.6
27
BS703930
WASHER, INT LCK, 3/8
28
BS703333
MUTTER, 3/8-16
29
BS703185
RHSSNB
30
BS7029303YP
ABST.BOLZEN
31
BS703409
MUTTER, 5/16-18, GR5
32
BS7046788YP
BLADE ENGAGEMENT
33
BS7090299YP
SCHRAUBE, 10-32X1
34
BS7091601
35
BS703949
SCHRAUBE, 5/16-18.625
36
BS7015447YP
EXCENTER, EINSTELLUNG
37
BS7018524YP
SWITCH
38
BS7091294
39
BS703312
PIN, COTTER, 3/32X.75
40
BS703963
WASHER, CONE
41
BS7090824YP
SCREW, 3/8-24 X 1-1/4
42
BS7012670YP
TOLERANCE RING
43
BS7014526YP
SPACER, 1.125 OD X .7
44
BS703458
MUTTER, 3/8-24
45
BS7014795YP
WASHER, NYLON
46
BS703297
RETAINER, GR5, 5/16
47
BS7091537YP
WLN, 5/16C YZ
48
BS7015446YP
BUNDSCHRAUBE
49
BS7091587SM
UNTERLAGSCHEIBE, .531X1.062X.1
50
BS7024341YP
SPRING, RETURN
51
BS7015495YP
BOLZEN
52
BS7035669YP
SPRING, LATCH
53
BS703878
WASHER, FLAT
54
BS703350
U-SCHEIBE, 5/16
55
BS703347
MUTTER, 3/8-16
56
BS7034754YP
PAD, SPRING / BRAKE
57
BS703233
MUTTER, 1/4-20, GR5
58
BS7090584YP
HFLB, 1/4C X1/2 GR5
59
BS7028786YP
BUSHING, SNAP, 1/4
60
BS7076978SM
HLN, 1/4C BZ
61
BS7028754YP
LINK, SPINDLE BRAKE
62
BS703464
PIN, COTTER, 1/16X0.5
63
BS7091049SM
FLUGELMUTTER .375-16 NYLO
64
BS703871
KOPFSCHRAUBE,3/8-16X1.25
65
BS7043806YP
EXTENTION, IDLER ARM
66
BS7091084YP
HWST, 1/4C X3/8 BZ
67
BS7046567BMYP
GRIFF, MESSEREINSCH.
68
BS703313
PIN, CLEVIS, ZINC
69
BS7046648YP
TORSIONSFEDER
70
BS7091604YP
RHSSNB, 1/4C X1/2 GR5
71
BS1931317SM
BOLT - RD HD
72
BS703127
MUTTER
Report Error
Help us to improve this site. Notify us if something is wrong here.