Snapper 7060947 - Bag N-Wagon, 30 Bushel BH120G38AB (80479) 38" 12 HP Gear Drive BH Tractor Series A Transmission Group Spareparts
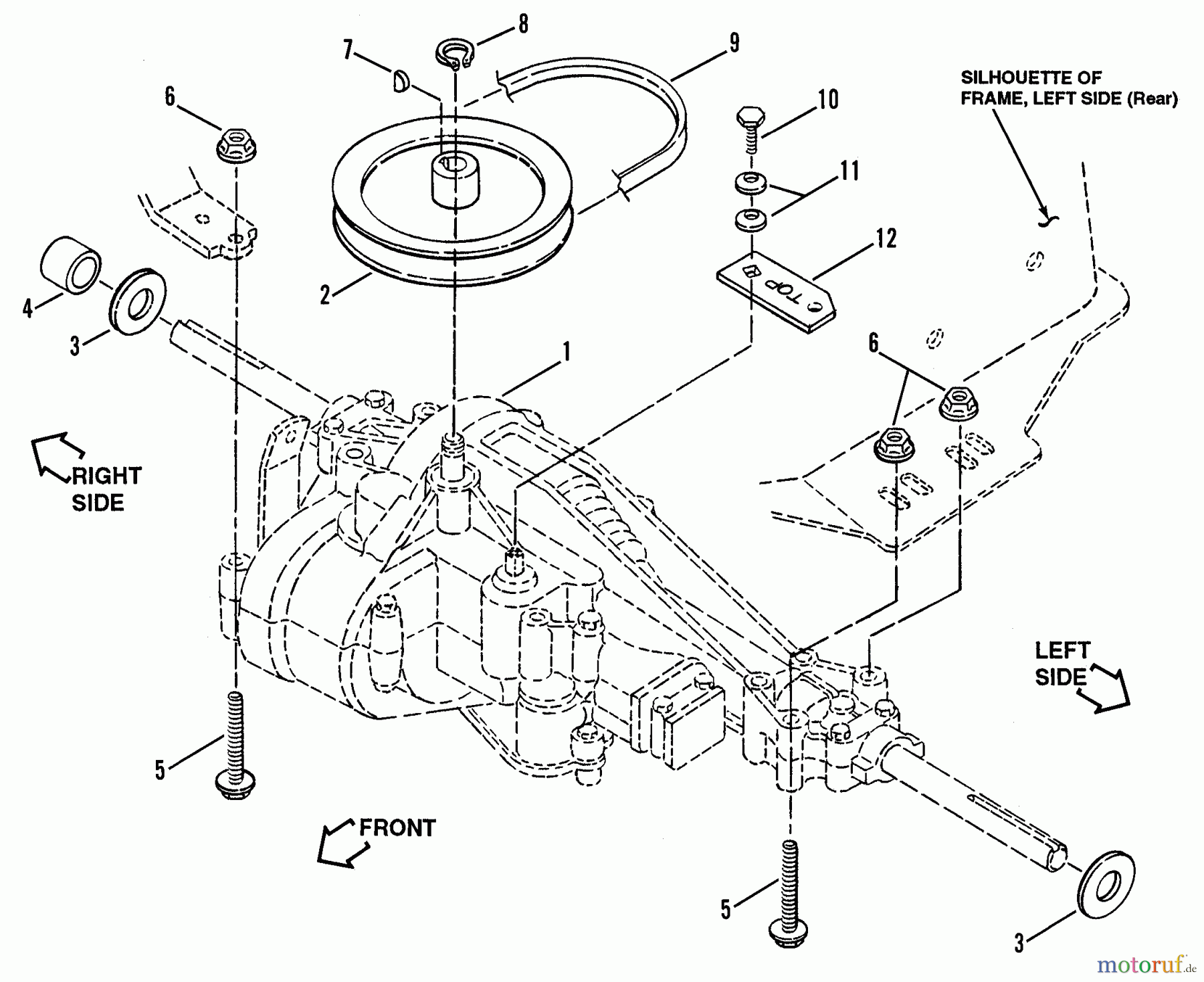
Transmission Group BH120G38AB (80479) 38" 12 HP Gear Drive BH Tractor Series A



Report Error
Help us to improve this site. Notify us if something is wrong here.


