.com
Shopping Basket
empty
Your Account
Log in
Register
Home
Contact
About
Guestbook
Shipping Costs
Terms and Privacy
SPAREPARTS
Search by Part Number
Diagrams & Parts Lists
Gardening & Forestry
Industry & Shop
Chainsaw Chains
Guide Bars
Sprocket Rims
CATALOG
Mowing, trimming
Engine parts
Workshop
Components
Forestry
Electrical items
Winter items
V-belts / Pulleys
Filters
Toys
Agricultural Parts
Topseller
SERVICE
We search for You
Determine Chain
DE
EN
FR
ES
IT
Mobile
Snapper 7082099 - 30" RER Snowthrower Attachment Augers, Impeller Fan Spareparts
Start
Snapper
Zubehör, Schnee
7082099 - Snapper 30" RER Snowthrower Attachment
Augers, Impeller Fan
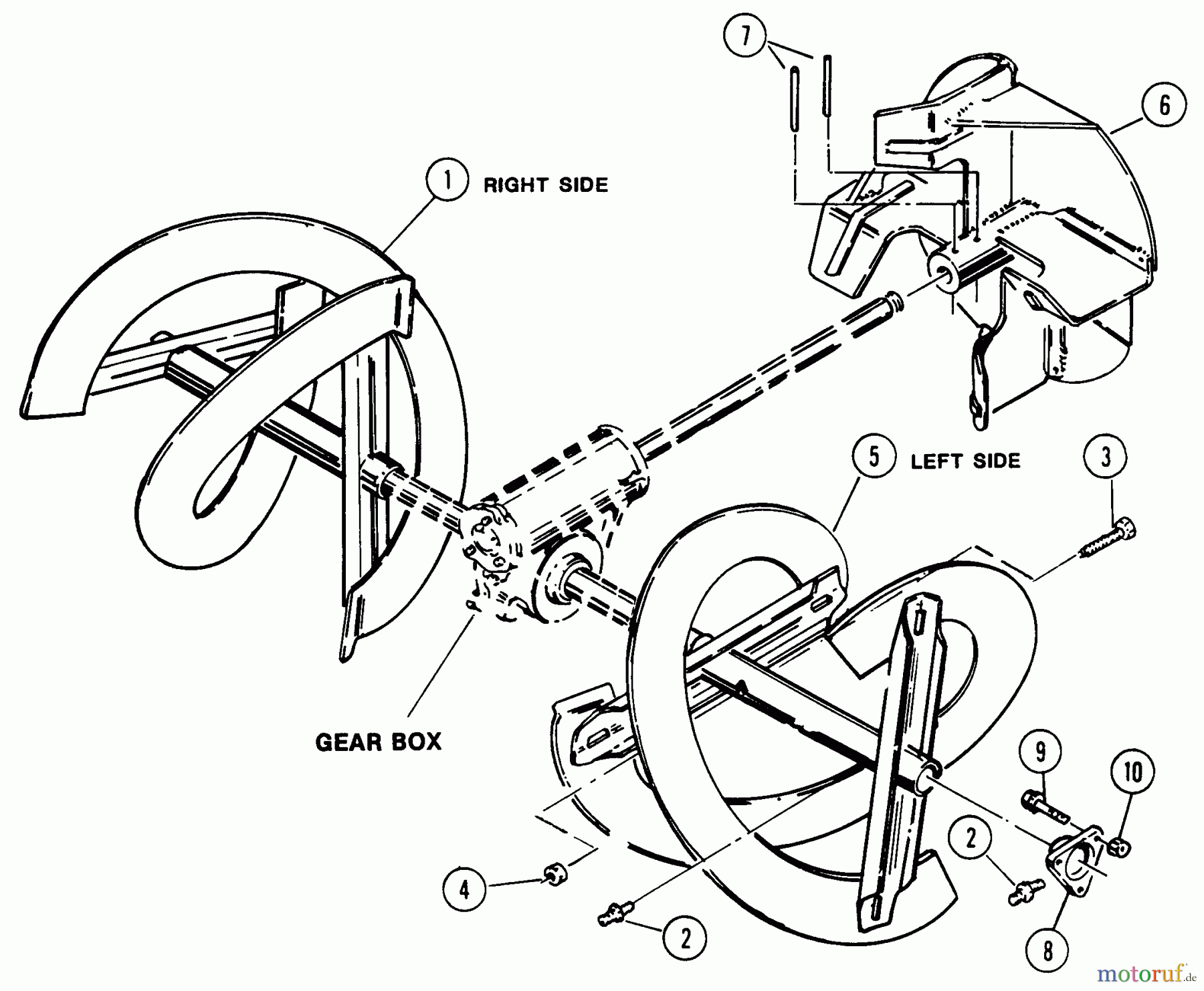
Augers, Impeller Fan 7082099 - Snapper 30" RER Snowthrower Attachment
Pos
Article Number
Description
1
BS7049922YP
(S) WELD, AUGER, 30",
2
BS7013864SM
LUBE FITTING, 3/16 PR
3
BS7091550YP
BOLT, SHEAR
4
BS703409
MUTTER, 5/16-18, GR5
5
BS7049921YP
(S) WELD, AUGER, 30",
6
BS7049677YP
(S) WELD, IMPELLER
7
BS7013862YP
ROLL PIN, 1/4X1-1/2
8
BS7018452
9
BS7090596YP
HFLB, 1/4C X5/8 GR5 Z
10
BS703233
MUTTER, 1/4-20, GR5
Report Error
Help us to improve this site. Notify us if something is wrong here.