.com
Shopping Basket
empty
Your Account
Log in
Register
Home
Contact
About
Guestbook
Shipping Costs
Terms and Privacy
SPAREPARTS
Search by Part Number
Diagrams & Parts Lists
Gardening & Forestry
Industry & Shop
Chainsaw Chains
Guide Bars
Sprocket Rims
CATALOG
Mowing, trimming
Engine parts
Workshop
Components
Forestry
Electrical items
Winter items
V-belts / Pulleys
Filters
Toys
Agricultural Parts
Topseller
SERVICE
We search for You
Determine Chain
DE
EN
FR
ES
IT
Mobile
Snapper 7080199 - 42" Mower Attachment, MF Series Mower Deck Spareparts
Start
Snapper
Mähdecks
7080199 - Snapper 42" Mower Attachment, MF Series
Mower Deck
Mower Deck 7080199 - Snapper 42" Mower Attachment, MF Series
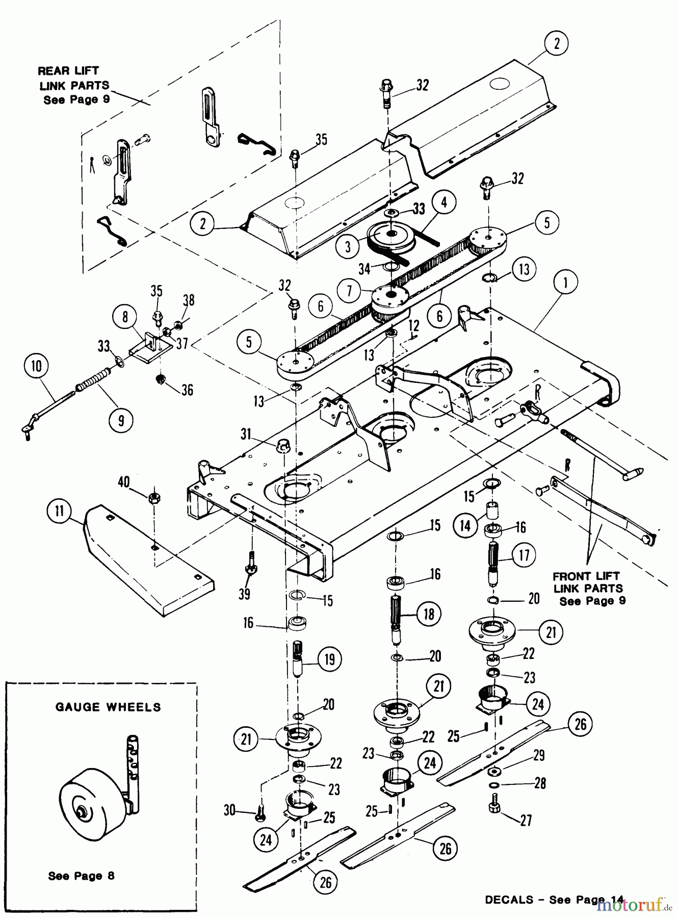
Pos
Article Number
Description
--
BS7080199
1
BS7049895
2
BS7049631
3
BS7049652
4
BS7028793YP
BELT, 96HA, 38DECKEC
5
BS7059574
6
BS7019580YP
BELT, DRIVE, 42
7
BS7059573
8
BS7049628
9
BS7018345YP
SPRING
10
BS7049621
11
BS7039904
12
BS7012801
13
BS7027560YP
SPACER
14
BS7027561YP
SPACER, 1.25 OD X 1.0
15
BS7012800YP
RETAINING RING, INT.
16
BS7019572YP
BEARING, BALL
17
BS7029528
18
BS7029527YP
SHAFT, MOWER SPINDLE
19
BS7029526YP
SPINDLE, 36-42-48
20
BS7018344YP
RETAINING RING, EXT,
21
BS7019586
22
BS7018410
23
BS7019643YP
SEAL, OIL
24
BS7047784YP
BLADE MOUND
25
BS7012799YP
PIN, MESSER
26
BS7019879YP
BLADE, 42 GT
27
BS7090491YP
SECHSKANTSCHRAUBE 1/2 X1-1/4GR
28
BS5025331SM
LOCKWASHER, 1/2
29
BS7018341YP
WASHER, SPRING
30
BS7090664YP
RHSNB, 3/8C X1-1/8 GR
31
BS703333
MUTTER, 3/8-16
32
BS7027198YP
(C) HFLB, 3/8C X1 YZ
33
BS703878
WASHER, FLAT
34
BS7032031YP
FW, 1.031X1.25X.03
34
BS7032030SM
FW, .406X1.25X.132 ZP
35
BS9357MA
SCHRAUBE, 5/16-18X .75WD
36
BS703409
MUTTER, 5/16-18, GR5
37
BS7091302SM
HN, 3/8C GR5 YZ
38
BS7090665SM
HJN, 3/8C ZP
39
BS7091573YP
RHSSNB, 1/4C X5/8
40
BS703233
MUTTER, 1/4-20, GR5
Report Error
Help us to improve this site. Notify us if something is wrong here.